Cub Cadet GT 1223 14AP13CP603 (2005) Schaltplan bis 02.02.2005 Ersatzteile
Schaltplan bis 02.02.2005 14AP13CP603 (2005)

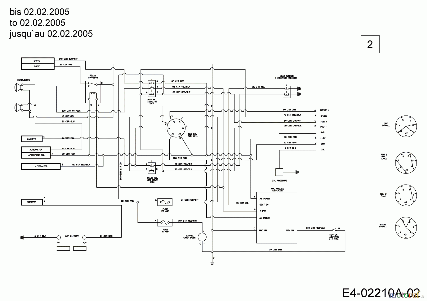
Hier finden Sie die Ersatzteilzeichnung für Cub Cadet Gartentraktoren GT 1223 14AP13CP603 (2005) Schaltplan bis 02.02.2005. Wählen Sie das benötigte Ersatzteil aus der Ersatzteilliste Ihres Cub Cadet Gerätes aus und bestellen Sie einfach online. Viele Cub Cadet Ersatzteile halten wir ständig in unserem Lager für Sie bereit.
| BildNr | Artikel Nummer | Bezeichnung | |
| 2 | 629-04139 | ||


Qualitätsmanagement
Informieren Sie uns, wenn Sie einen Fehler gefunden haben.

