Gutbrod 810 HEBS 02651.03 (1988) Armaturenbrett, Motorhaube, Sitzwanne Ersatzteile
Armaturenbrett, Motorhaube, Sitzwanne 02651.03 (1988)

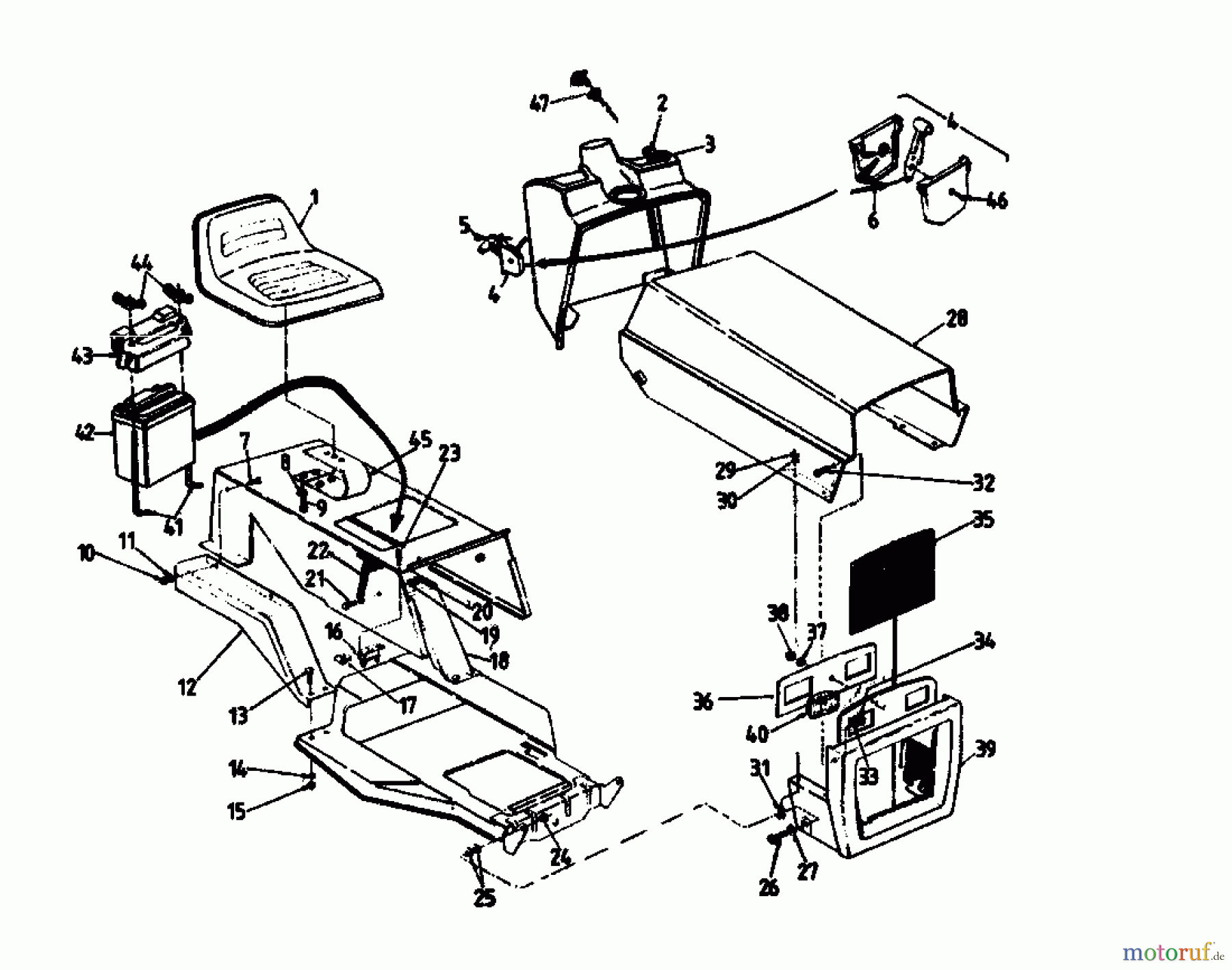
Hier finden Sie die Ersatzteilzeichnung für Gutbrod Rasentraktoren 810 HEBS 02651.03 (1988) Armaturenbrett, Motorhaube, Sitzwanne. Wählen Sie das benötigte Ersatzteil aus der Ersatzteilliste Ihres Gutbrod Gerätes aus und bestellen Sie einfach online. Viele Gutbrod Ersatzteile halten wir ständig in unserem Lager für Sie bereit.



