Golf BRL 04033.01 (1995) Getriebe, Räder, Schnitthöhenverstellung Ersatzteile
Getriebe, Räder, Schnitthöhenverstellung 04033.01 (1995)

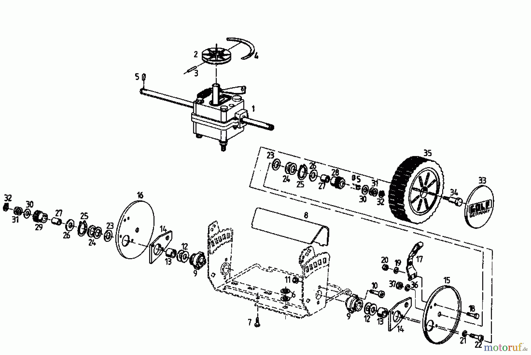
Hier finden Sie die Ersatzteilzeichnung für Golf Motormäher mit Antrieb Golf BRL 04033.01 (1995) Getriebe, Räder, Schnitthöhenverstellung. Wählen Sie das benötigte Ersatzteil aus der Ersatzteilliste Ihres Golf Gerätes aus und bestellen Sie einfach online. Viele Golf Ersatzteile halten wir ständig in unserem Lager für Sie bereit.



