Golf HBL 04042.01 (1996) Ersatzteile
04042.01 (1996) Golf HBL

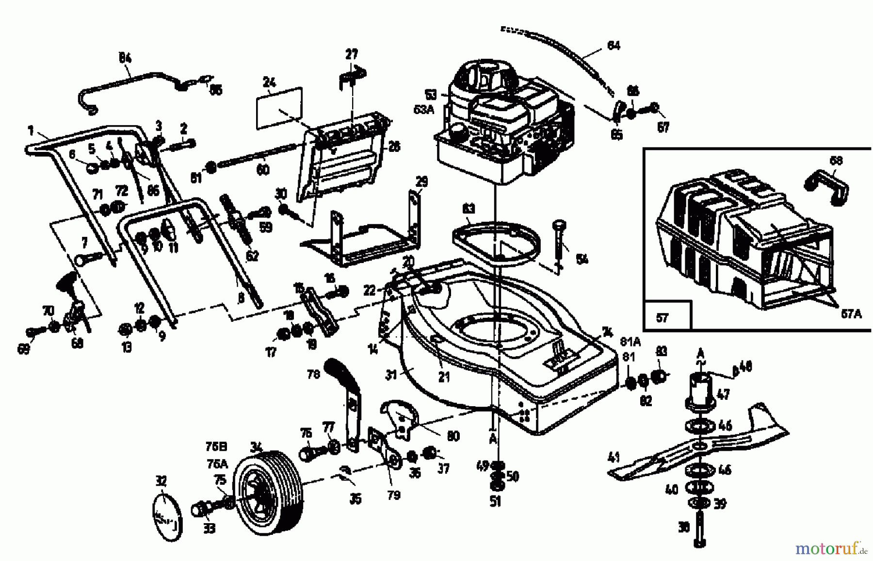
Hier finden Sie die Ersatzteilzeichnung für Golf Motormäher Golf HBL 04042.01 (1996) Grundgerät. Wählen Sie das benötigte Ersatzteil aus der Ersatzteilliste Ihres Golf Gerätes aus und bestellen Sie einfach online. Viele Golf Ersatzteile halten wir ständig in unserem Lager für Sie bereit.



