Einstellungen Computer

Golf HBL 02813.05 (1993) Ersatzteile

02813.05 (1993) Golf HBL

 Golf Motormäher Golf HBL 02813.05  (1993) Grundgerät

Hier finden Sie die Ersatzteilzeichnung für Golf Motormäher Golf HBL 02813.05 (1993) Grundgerät. Wählen Sie das benötigte Ersatzteil aus der Ersatzteilliste Ihres Golf Gerätes aus und bestellen Sie einfach online. Viele Golf Ersatzteile halten wir ständig in unserem Lager für Sie bereit.

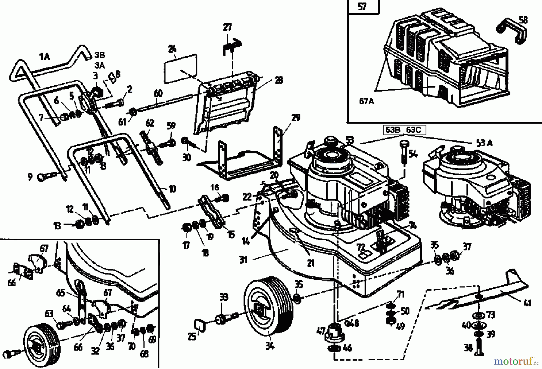
BildNrArtikel NummerBezeichnung
1A 079.05.524OBERHOLM
2 23.5422.23LINSENSCHRAUBE M.KREUZDIN 7985
3 079.12.983GAS-FERNBEDIENUNG KPL.
3A 079.11.694GASFERNBEDIENUNG VOLLST.
3B 079.11.696BOWDENZUG VOLLST.
5 24.6481.14SCHEIBE A 6,4 DIN 125-St
6 24.8195.14FEDERRING DIN 127
7 24.3423.14HUTMUTTER:M6 5S DIN 1587
8 000.50.335HINWEISSCHILD "START-STOP"
9 22.3419.28FLACHRD-SCHR.M 4KT-ANSDIN 603
10 079.05.324UNTERHOLM
11 24.6481.18SCHEIBE DIN 125
12 24.8195.18FEDERRING DIN 127
13 24.1421.18SECHSKANTMUTTER DIN 934
14 000.49.637AUFKLEBER 96DB(A)
15 079.05.230HOLMFUSS VERZINKT
16 22.3419.26FLACHRD-SCHR.M 4KT-ANSDIN 603
17 24.1421.18SECHSKANTMUTTER DIN 934
18 28.7111.05TELLERFEDER gelb verzDIN 2093
19 24.6481.18SCHEIBE DIN 125
20 22.3419.24FLACHRD-SCHR.M 4KT-ANSDIN 603
21 000.49.768HINWEISSCHILD 3-SPRACHIG
22 000.51.020TYPENSCHILD
24 000.50.304HINWEISSCHILD "ACHTUNG"
25 079.29.434RADKAPPE GRUEN RAL 6018
27 000.31.182FEDER VERZINKT
28 079.26.952HECKKLAPPE KPL.
29 079.25.702HECKBUEGEL VOLLST.
30 000.02.493Sternantrieb-SCHRAUBE M6x20 WN 1452
31 079.25.988RASENMAEHERDECK KPL.
32 24.6487.20SCHEIBE DIN 7349-ST
33 079.29.208RADBOLZEN
34 079.30.803RAD 6" WEISS
36 24.8195.18FEDERRING DIN 127
37 24.1421.18SECHSKANTMUTTER DIN 934
38 000.02.277MESSERSCHRAUBE 3/8"UNF SCHWARZ
39 24.8190.22SICHERUNGSSCHEIBE DIN N
40 090.26.348FEDERSCHEIBE SCHWARZ
41 079.77.310MESSER 45CM *S*
46 079.77.053REIBSCHEIBE
47 079.77.218MESSERNABE
48 25.5239.09SCHEIBENFEDER DIN 6888
49 24.1421.18SECHSKANTMUTTER DIN 934
50 24.8195.18FEDERRING DIN 127
53 090.49.967B-MOTOR TECNA VANTAGE 35
53A 090.49.968B-MOTOR TECNA PRISMA 37 ES
53B 000.50.319HINWEISSCHILD
53C 000.49.982KLEBESCHILD "ELECTRONIC"
54 21.1443.75SECHSKANTSCHRAUBE DIN 931
57 079.80.988GRASFANGKORB VOLLST.
57A 079.80.327KORBHÄLFTE GRÜN RAL 6005
58 079.80.109GRIFF GRUEN RAL 6005
59 21.1441.76SECHSKANTSCHRAUBE DIN 933
60 079.26.027STANGE VERZINKT
61 28.3595.54SICHERUNGSSCHEIBE DIN 6799
62 079.05.304BIEGESCHUTZ:SCHWARZ RAL 9005
63 079.29.178SCHRAUBE VERZINKT
64 28.7111.50TELLERFEDER verz. DIN 2093
65 079.29.735HÖHENVERSTELLHEBEL VOLLST.
66 079.29.530VERSTELLARM
67 079.29.589VERSTELLPLATTE VERZINKT
68 24.8195.18FEDERRING DIN 127
69 24.1421.18SECHSKANTMUTTER DIN 934
70 24.6486.18SCHEIBE DIN 9021-St
70A 24.6481.18SCHEIBE DIN 125
71 24.6481.18SCHEIBE DIN 125
72 000.49.377LGA-ZEICHEN
73 090.26.387SCHEIBE VERZINKT
74 000.50.692GOLF-KLEBESCHILD
Rasen
Bankeinzug, MasterCard, Visa, American Express, PayPal, Nachnahme, Vorauskasse, Sofortüberweisung
Datenschutzerklärung Impressum
Qualitätsmanagement
Informieren Sie uns, wenn Sie einen Fehler gefunden haben.