Golf B 02813.04 (1995) Ersatzteile
02813.04 (1995) Golf B

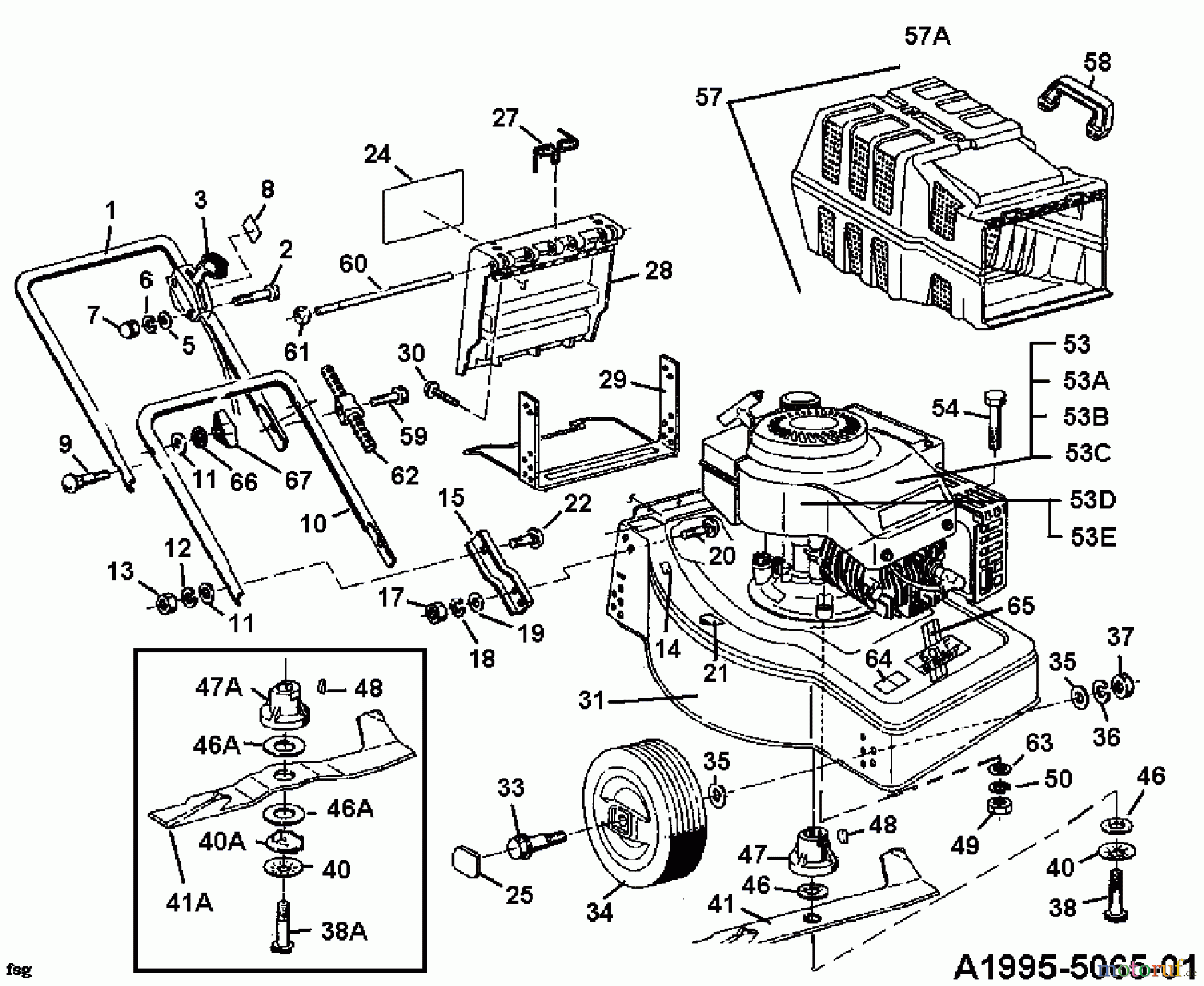
Hier finden Sie die Ersatzteilzeichnung für Golf Motormäher Golf B 02813.04 (1995) Grundgerät. Wählen Sie das benötigte Ersatzteil aus der Ersatzteilliste Ihres Golf Gerätes aus und bestellen Sie einfach online. Viele Golf Ersatzteile halten wir ständig in unserem Lager für Sie bereit.



