Gutbrod 610 EBS 02651.02 (1986) Getriebe Ersatzteile
Getriebe 02651.02 (1986)

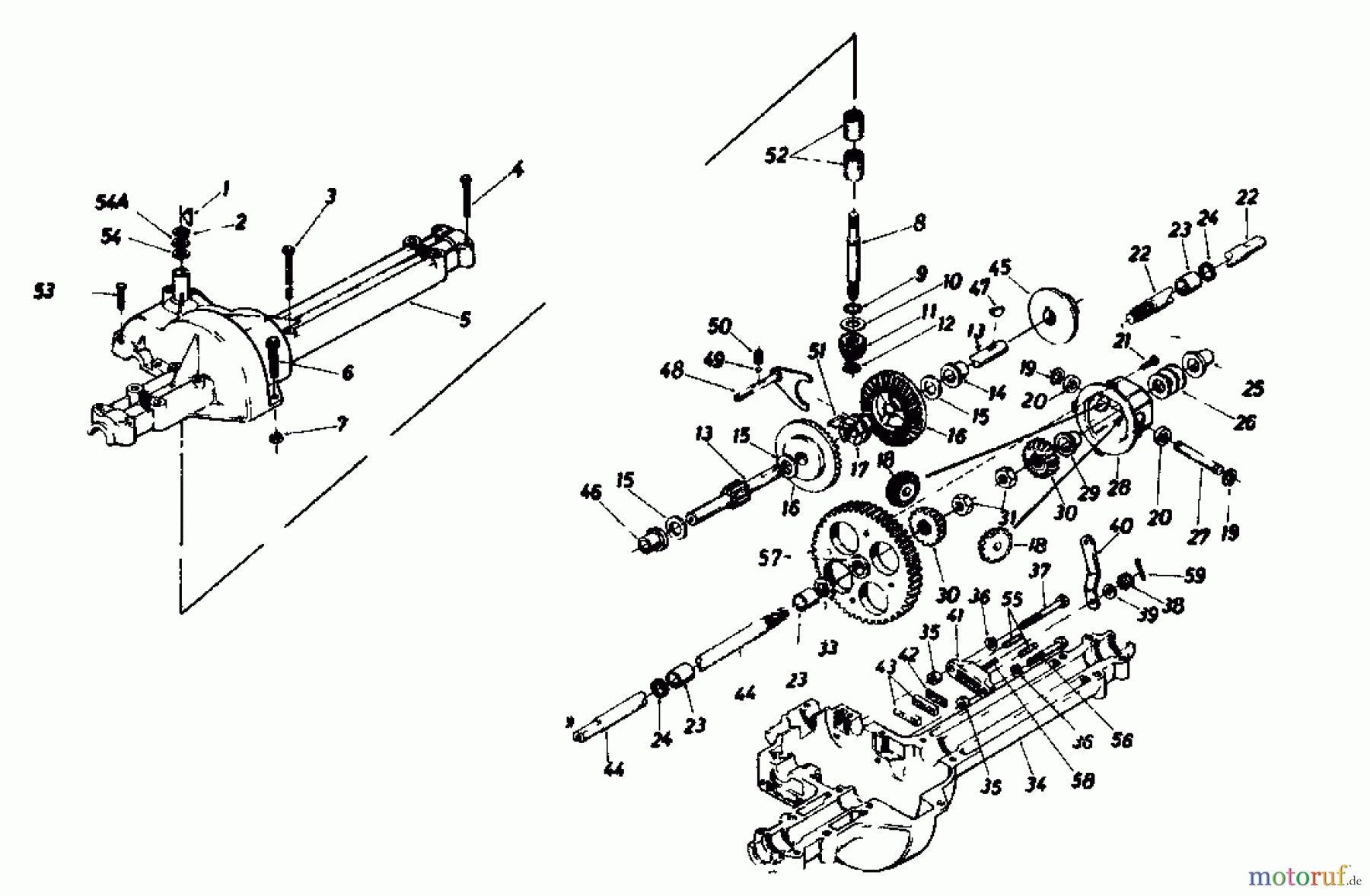
Hier finden Sie die Ersatzteilzeichnung für Gutbrod Rasentraktoren 610 EBS 02651.02 (1986) Getriebe. Wählen Sie das benötigte Ersatzteil aus der Ersatzteilliste Ihres Gutbrod Gerätes aus und bestellen Sie einfach online. Viele Gutbrod Ersatzteile halten wir ständig in unserem Lager für Sie bereit.



