Gutbrod 1114 AWS 00097.01 (1992) Mähwerk 110cm Ersatzteile
Mähwerk 110cm 00097.01 (1992)

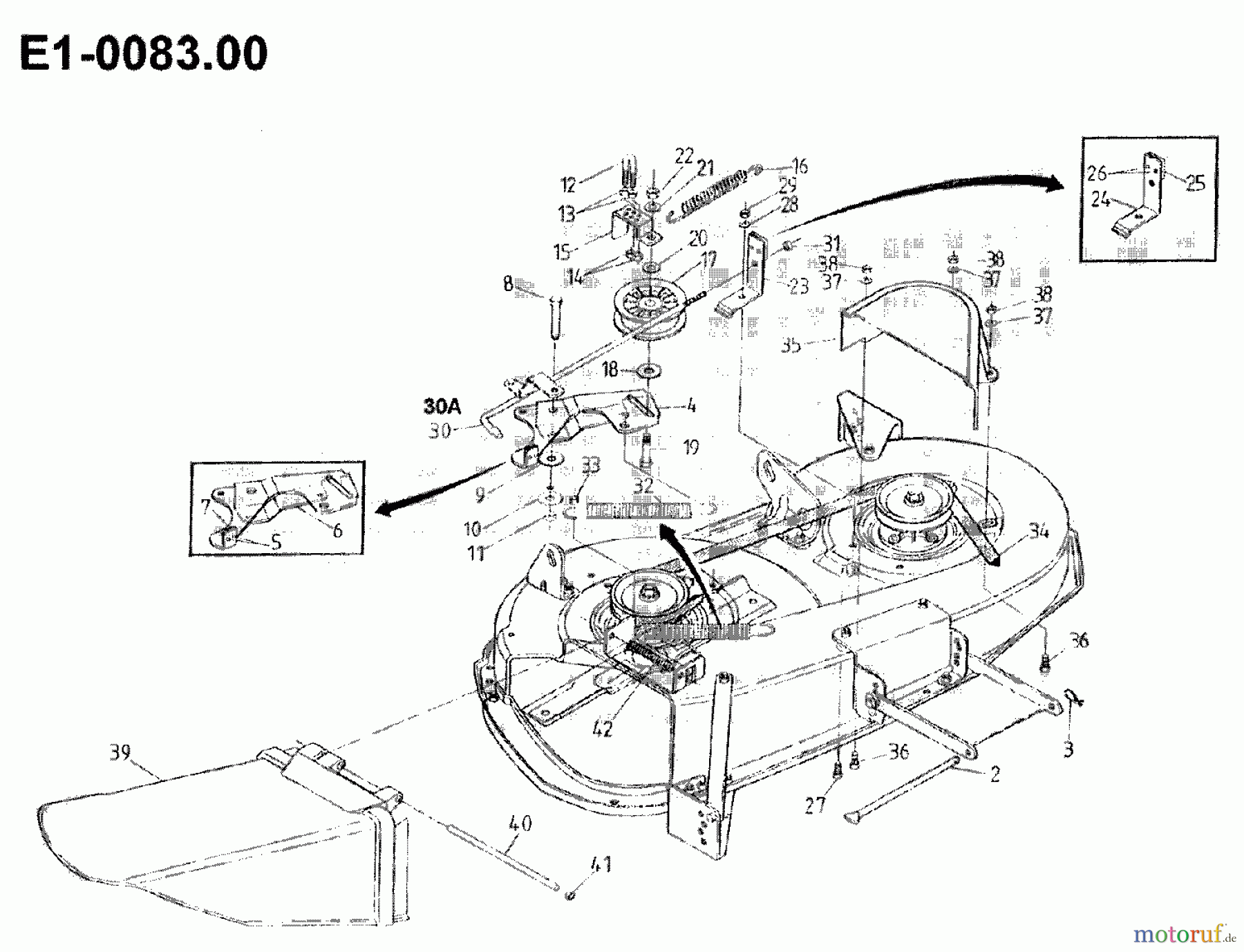
Hier finden Sie die Ersatzteilzeichnung für Gutbrod Rasentraktoren 1114 AWS 00097.01 (1992) Mähwerk 110cm. Wählen Sie das benötigte Ersatzteil aus der Ersatzteilliste Ihres Gutbrod Gerätes aus und bestellen Sie einfach online. Viele Gutbrod Ersatzteile halten wir ständig in unserem Lager für Sie bereit.


Qualitätsmanagement
Informieren Sie uns, wenn Sie einen Fehler gefunden haben.

