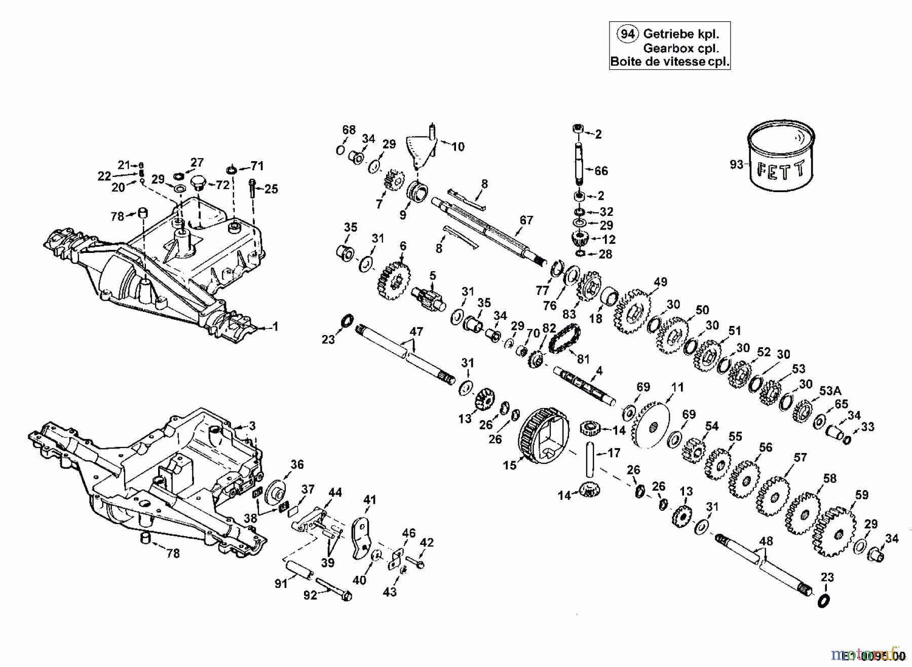
Gutbrod 1114 AWS 00097.01 (1992) Getriebe Ersatzteile
Getriebe 00097.01 (1992)

Hier finden Sie die Ersatzteilzeichnung für Gutbrod Rasentraktoren 1114 AWS 00097.01 (1992) Getriebe. Wählen Sie das benötigte Ersatzteil aus der Ersatzteilliste Ihres Gutbrod Gerätes aus und bestellen Sie einfach online. Viele Gutbrod Ersatzteile halten wir ständig in unserem Lager für Sie bereit.
Häufig benötigte Gutbrod 1114 AWS 00097.01 (1992) Getriebe Ersatzteile

Artikelnummer: 001.51.050
Suche nach: 001.51.050
Hersteller: MTD
Gutbrod Ersatzteil Getriebe
Suche nach: 001.51.050
Hersteller: MTD
Gutbrod Ersatzteil Getriebe
29.74 €
für EU incl. MwSt., zzgl. Versand


