Yard-Man TF 7135 13AH774F643 (2007) Mähwerk F (38"/96cm) bis 13.11.2006 Ersatzteile
Mähwerk F (38"/96cm) bis 13.11.2006 13AH774F643 (2007)

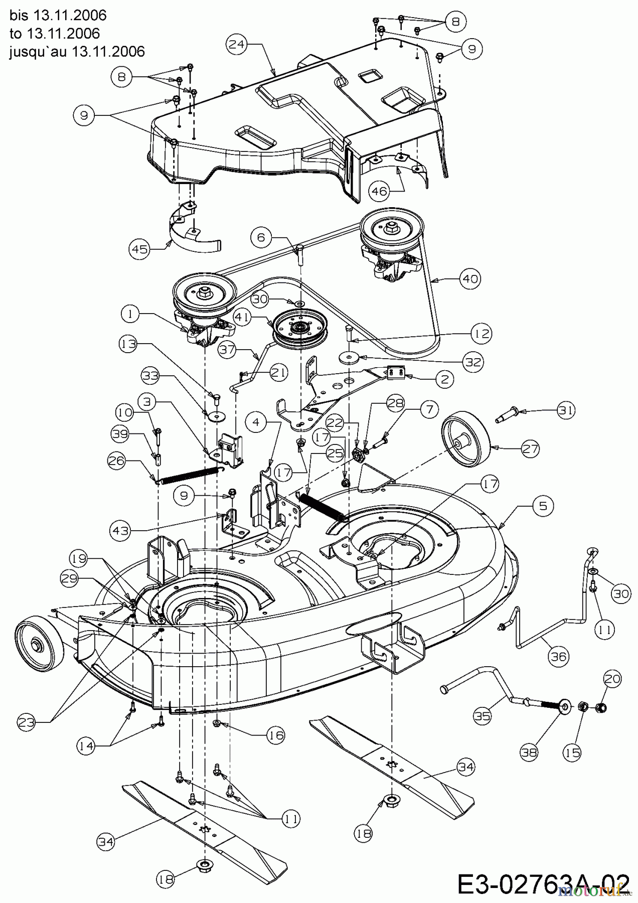
Hier finden Sie die Ersatzteilzeichnung für Yard-Man Rasentraktoren TF 7135 13AH774F643 (2007) Mähwerk F (38"/96cm) bis 13.11.2006. Wählen Sie das benötigte Ersatzteil aus der Ersatzteilliste Ihres Yard-Man Gerätes aus und bestellen Sie einfach online. Viele Yard-Man Ersatzteile halten wir ständig in unserem Lager für Sie bereit.
































