Yard-Man TF 7135 13AH774F643 (2007) Armaturenbrett, Chokezug, Gaszug, Zündschloss ab 01.11.2006 bis 31.07.2007 Ersatzteile
Armaturenbrett, Chokezug, Gaszug, Zündschloss ab 01.11.2006 bis 31.07.2007 13AH774F643 (2007)

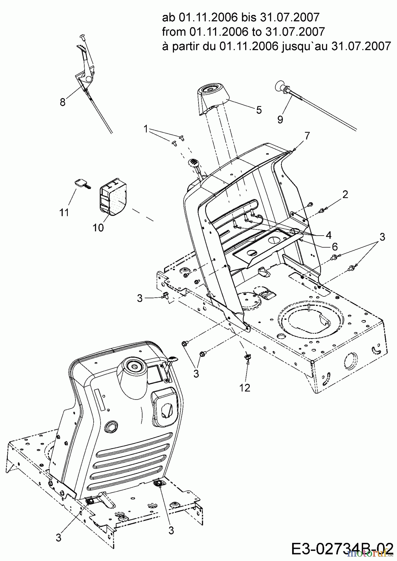
Hier finden Sie die Ersatzteilzeichnung für Yard-Man Rasentraktoren TF 7135 13AH774F643 (2007) Armaturenbrett, Chokezug, Gaszug, Zündschloss ab 01.11.2006 bis 31.07.2007. Wählen Sie das benötigte Ersatzteil aus der Ersatzteilliste Ihres Yard-Man Gerätes aus und bestellen Sie einfach online. Viele Yard-Man Ersatzteile halten wir ständig in unserem Lager für Sie bereit.









