Gutbrod TURBO HBS 02893.06 (1992) Ersatzteile
02893.06 (1992) TURBO HBS

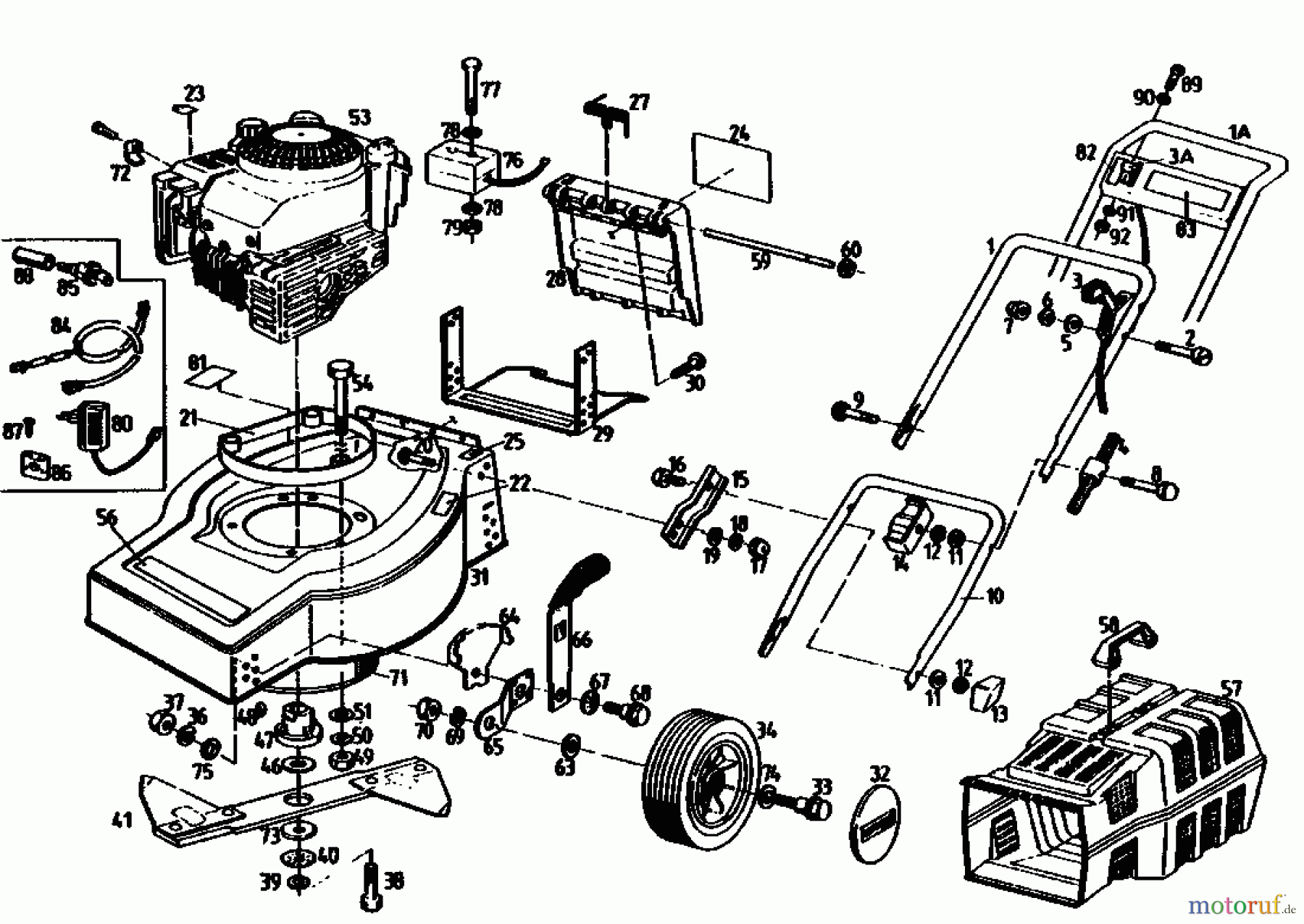
Hier finden Sie die Ersatzteilzeichnung für Gutbrod Motormäher TURBO HBS 02893.06 (1992) Grundgerät. Wählen Sie das benötigte Ersatzteil aus der Ersatzteilliste Ihres Gutbrod Gerätes aus und bestellen Sie einfach online. Viele Gutbrod Ersatzteile halten wir ständig in unserem Lager für Sie bereit.


Qualitätsmanagement
Informieren Sie uns, wenn Sie einen Fehler gefunden haben.


