MTD Optima ME 66 31AY54T3678 (2017) Armaturenbrett ab 01.10.2016 Ersatzteile
Armaturenbrett ab 01.10.2016 31AY54T3678 (2017)

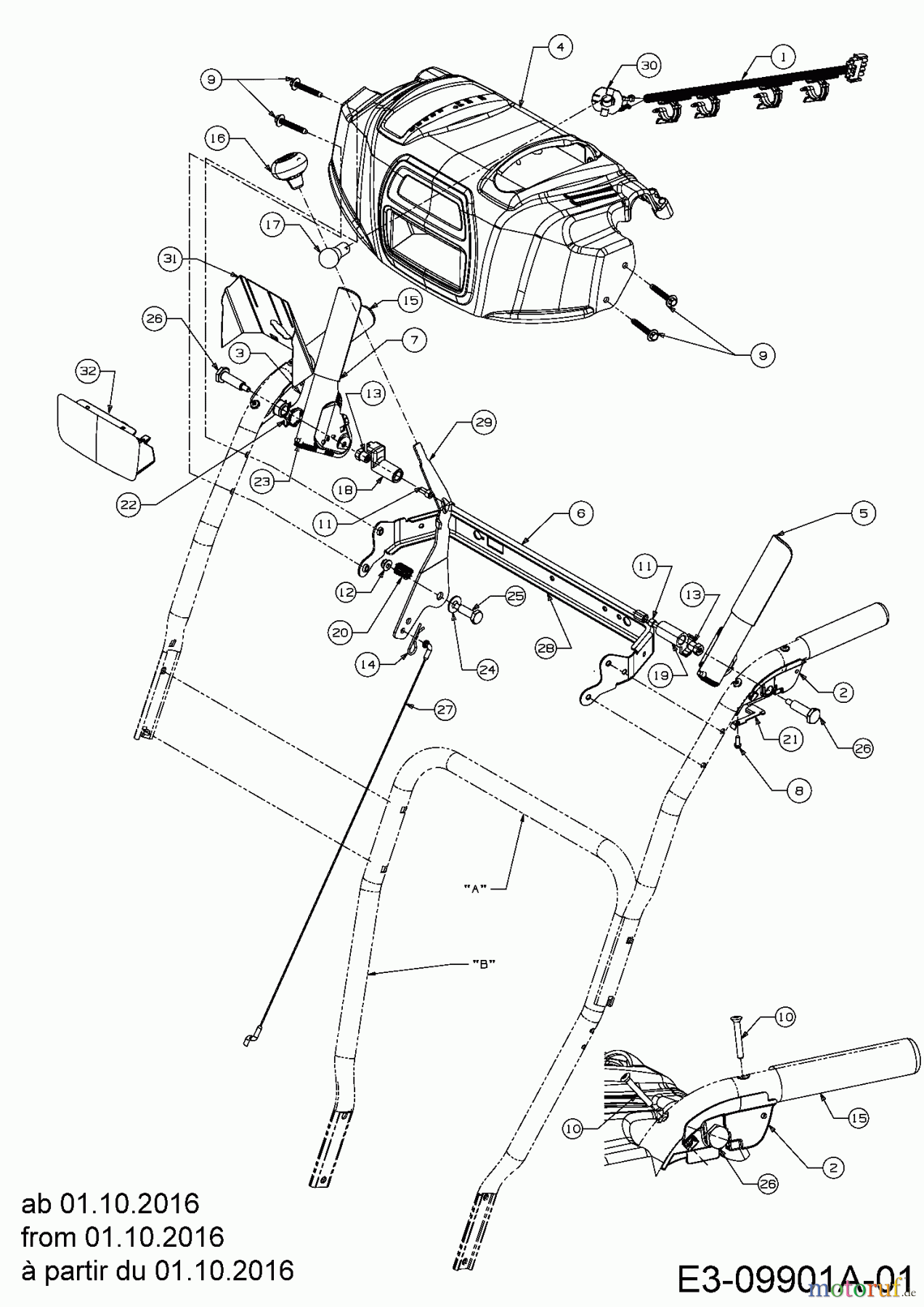
Hier finden Sie die Ersatzteilzeichnung für MTD Schneefräsen Optima ME 66 31AY54T3678 (2017) Armaturenbrett ab 01.10.2016. Wählen Sie das benötigte Ersatzteil aus der Ersatzteilliste Ihres MTD Gerätes aus und bestellen Sie einfach online. Viele MTD Ersatzteile halten wir ständig in unserem Lager für Sie bereit.










