MTD Optima ME 66 31AY54T3678 (2017) Armaturenbrett bis 30.09.2016 Ersatzteile
Armaturenbrett bis 30.09.2016 31AY54T3678 (2017)

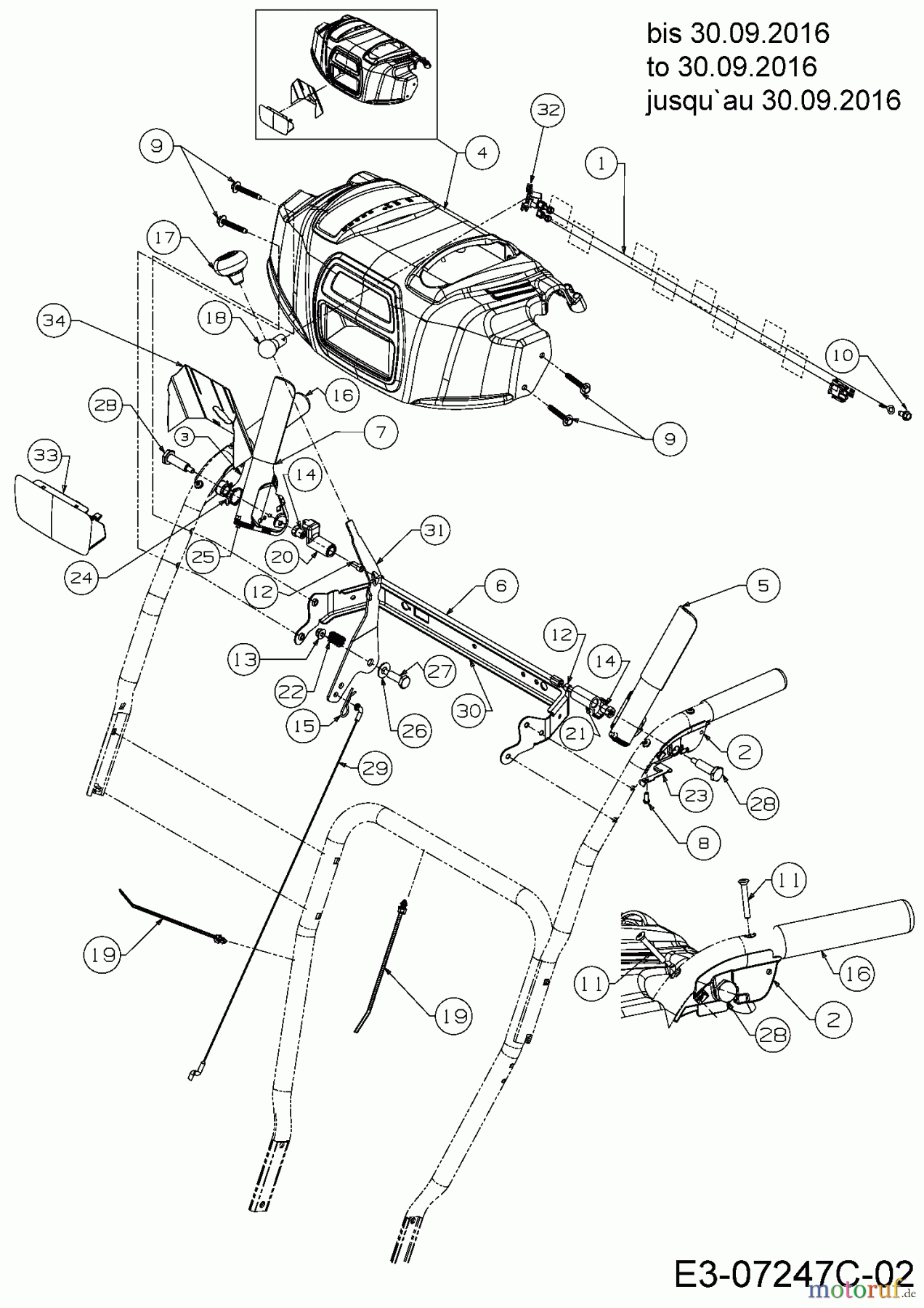
Hier finden Sie die Ersatzteilzeichnung für MTD Schneefräsen Optima ME 66 31AY54T3678 (2017) Armaturenbrett bis 30.09.2016. Wählen Sie das benötigte Ersatzteil aus der Ersatzteilliste Ihres MTD Gerätes aus und bestellen Sie einfach online. Viele MTD Ersatzteile halten wir ständig in unserem Lager für Sie bereit.











