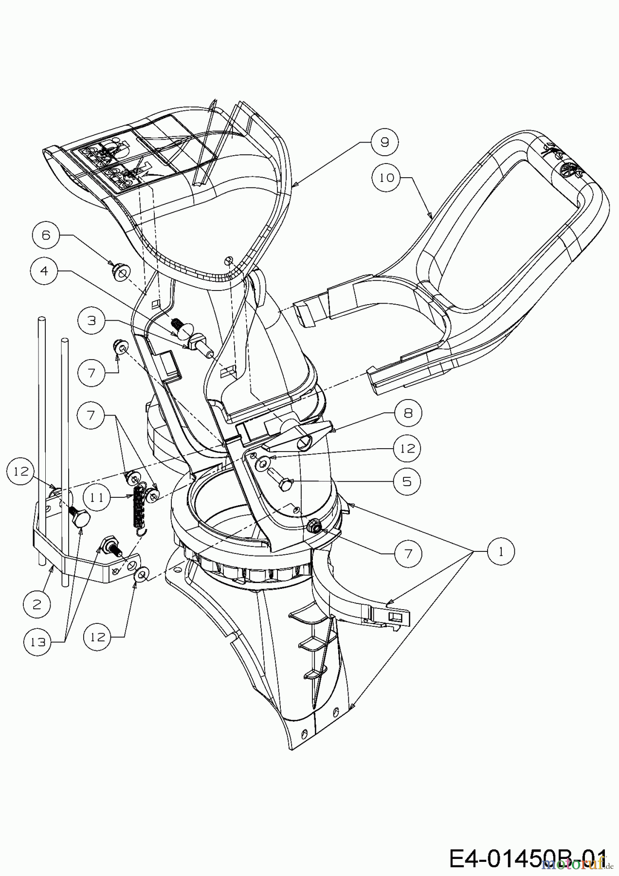
MTD M 56 31B-32AD678 (2016) Auswurfschacht Ersatzteile
Auswurfschacht 31B-32AD678 (2016)

Hier finden Sie die Ersatzteilzeichnung für MTD Schneefräsen M 56 31B-32AD678 (2016) Auswurfschacht. Wählen Sie das benötigte Ersatzteil aus der Ersatzteilliste Ihres MTD Gerätes aus und bestellen Sie einfach online. Viele MTD Ersatzteile halten wir ständig in unserem Lager für Sie bereit.






