MTD Optima 53 SPBHWIS 12AEPH7E600 (2016) Abdeckung hinten, Holmbraketten bis 05.11.2015 Ersatzteile
Abdeckung hinten, Holmbraketten bis 05.11.2015 12AEPH7E600 (2016)

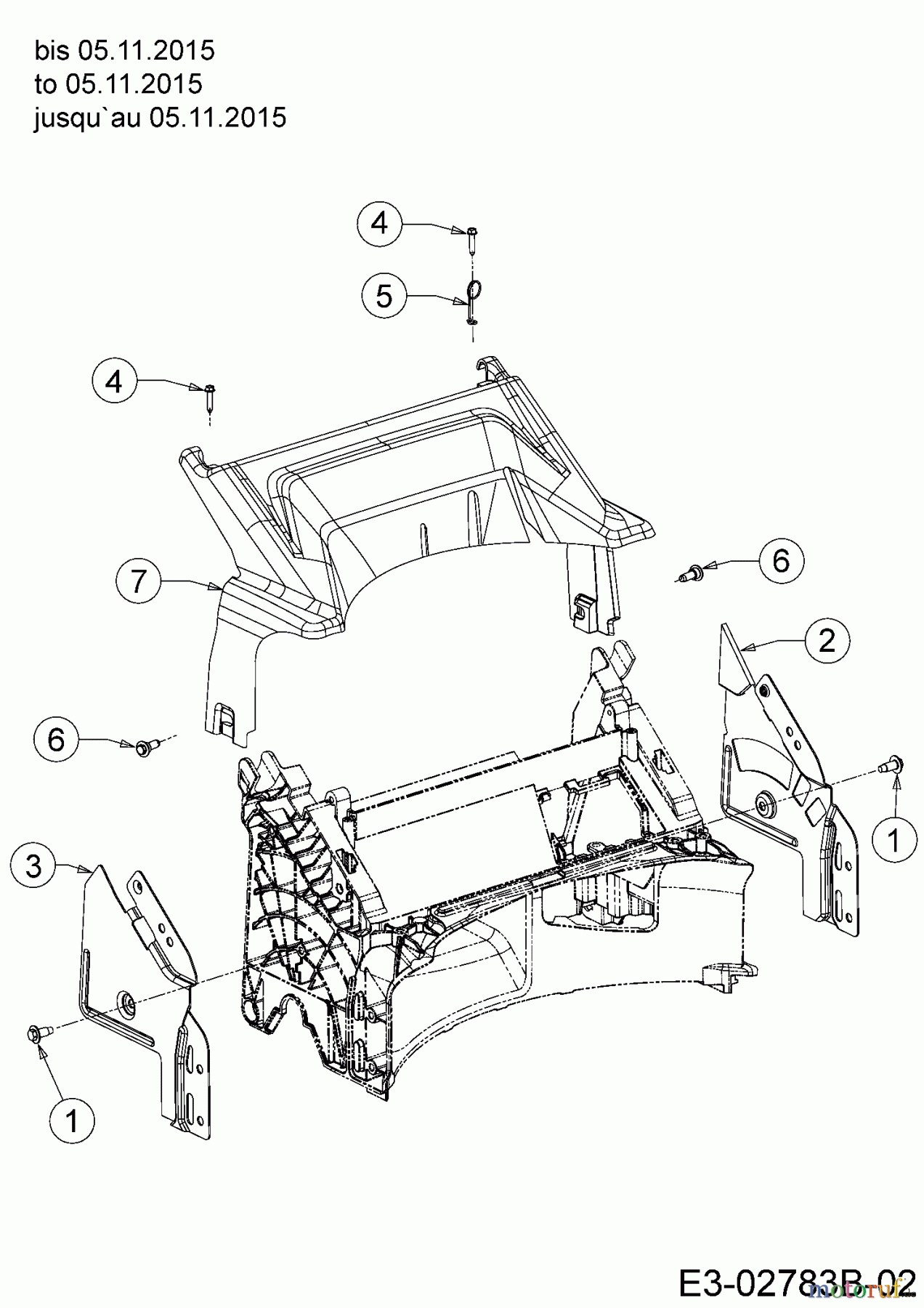
Hier finden Sie die Ersatzteilzeichnung für MTD Motormäher mit Antrieb Optima 53 SPBHWIS 12AEPH7E600 (2016) Abdeckung hinten, Holmbraketten bis 05.11.2015. Wählen Sie das benötigte Ersatzteil aus der Ersatzteilliste Ihres MTD Gerätes aus und bestellen Sie einfach online. Viele MTD Ersatzteile halten wir ständig in unserem Lager für Sie bereit.


Qualitätsmanagement
Informieren Sie uns, wenn Sie einen Fehler gefunden haben.


