Gutbrod MS 484 04008.02 (1990) Ersatzteile
04008.02 (1990) MS 484

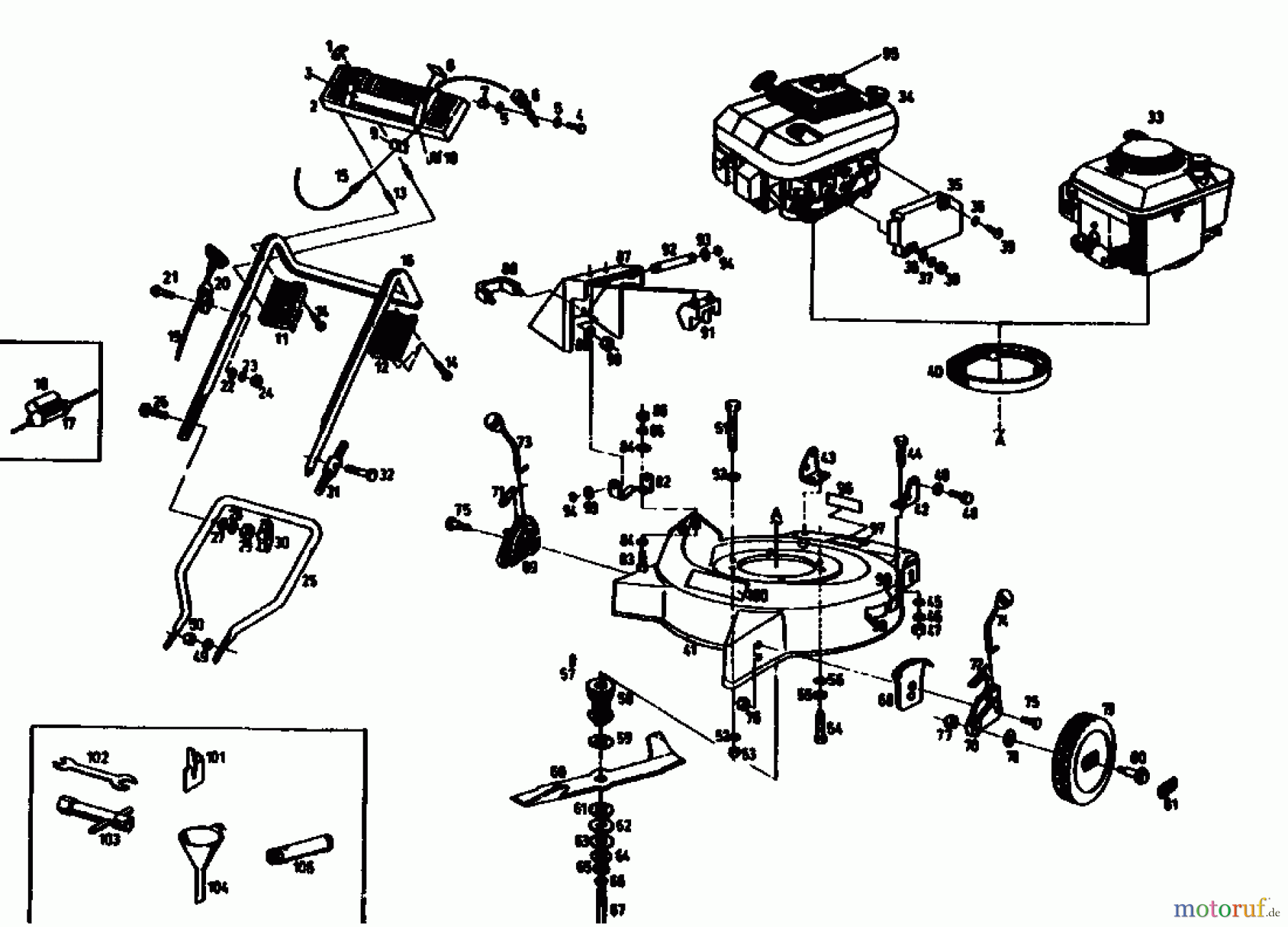
Hier finden Sie die Ersatzteilzeichnung für Gutbrod Motormäher MS 484 04008.02 (1990) Grundgerät. Wählen Sie das benötigte Ersatzteil aus der Ersatzteilliste Ihres Gutbrod Gerätes aus und bestellen Sie einfach online. Viele Gutbrod Ersatzteile halten wir ständig in unserem Lager für Sie bereit.


Qualitätsmanagement
Informieren Sie uns, wenn Sie einen Fehler gefunden haben.