MTD SP 53 HWO 12A-55M1615 (2010) Gehäuse, Unterholm, Getriebe, Motor Ersatzteile
Gehäuse, Unterholm, Getriebe, Motor 12A-55M1615 (2010)

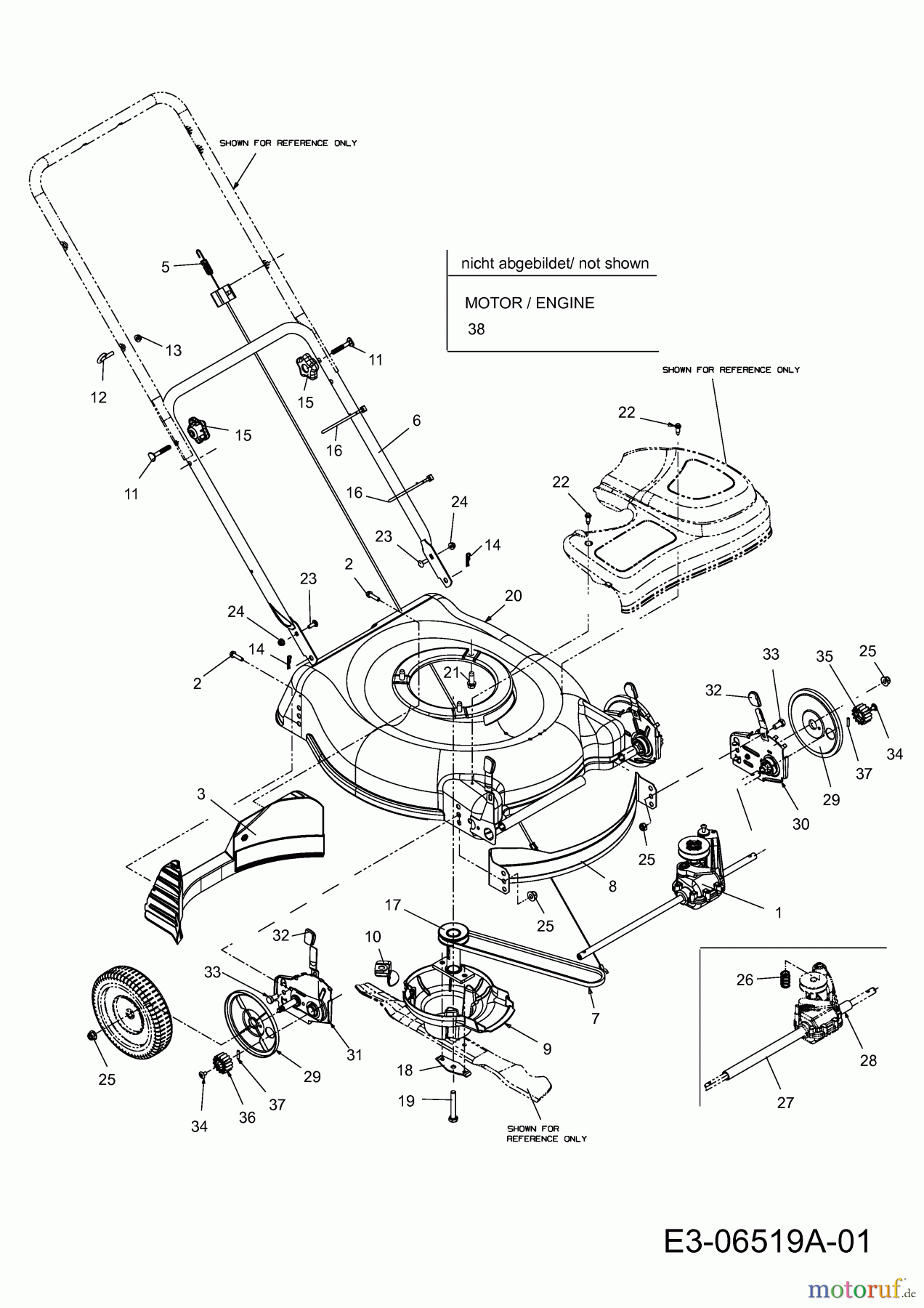
Hier finden Sie die Ersatzteilzeichnung für MTD Motormäher mit Antrieb SP 53 HWO 12A-55M1615 (2010) Gehäuse, Unterholm, Getriebe, Motor. Wählen Sie das benötigte Ersatzteil aus der Ersatzteilliste Ihres MTD Gerätes aus und bestellen Sie einfach online. Viele MTD Ersatzteile halten wir ständig in unserem Lager für Sie bereit.


Qualitätsmanagement
Informieren Sie uns, wenn Sie einen Fehler gefunden haben.















