Gutbrod MH 454 T 04004.04 (1993) Ersatzteile
04004.04 (1993) MH 454 T

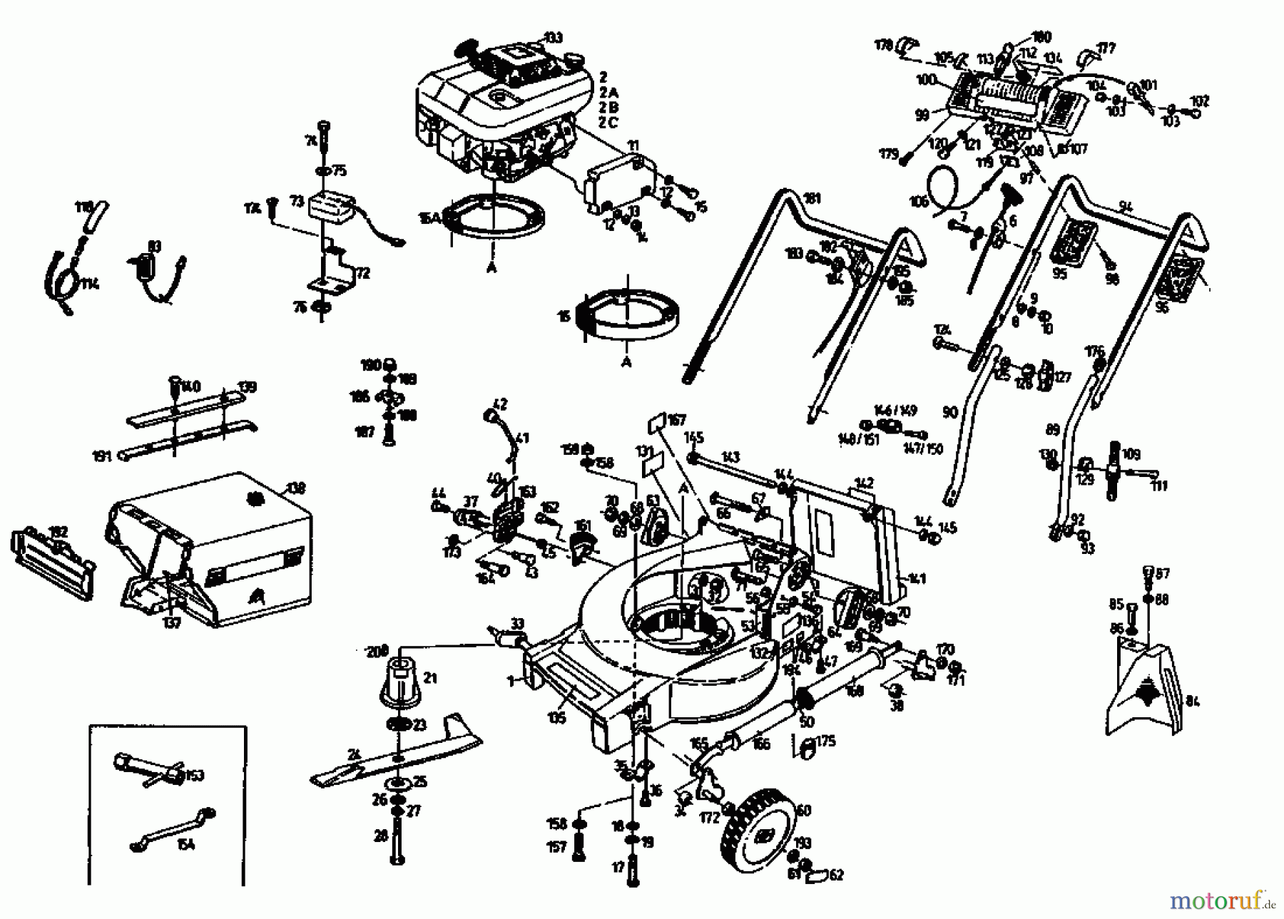
Hier finden Sie die Ersatzteilzeichnung für Gutbrod Motormäher MH 454 T 04004.04 (1993) Grundgerät. Wählen Sie das benötigte Ersatzteil aus der Ersatzteilliste Ihres Gutbrod Gerätes aus und bestellen Sie einfach online. Viele Gutbrod Ersatzteile halten wir ständig in unserem Lager für Sie bereit.


Qualitätsmanagement
 Informieren Sie uns, wenn Sie einen Fehler gefunden haben.


