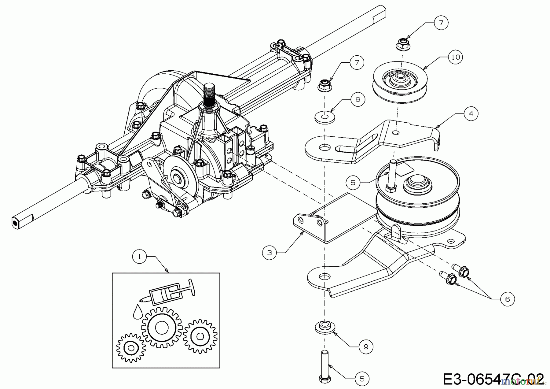
MTD 96 13H2765F600 (2017) Spannrolle Getriebe Ersatzteile
Spannrolle Getriebe 13H2765F600 (2017)

Hier finden Sie die Ersatzteilzeichnung für MTD Rasentraktoren MTD 96 13H2765F600 (2017) Spannrolle Getriebe. Wählen Sie das benötigte Ersatzteil aus der Ersatzteilliste Ihres MTD Gerätes aus und bestellen Sie einfach online. Viele MTD Ersatzteile halten wir ständig in unserem Lager für Sie bereit.


Qualitätsmanagement
Informieren Sie uns, wenn Sie einen Fehler gefunden haben.







