Gutbrod MH 454 04004.05 (1993) Ersatzteile
04004.05 (1993) MH 454

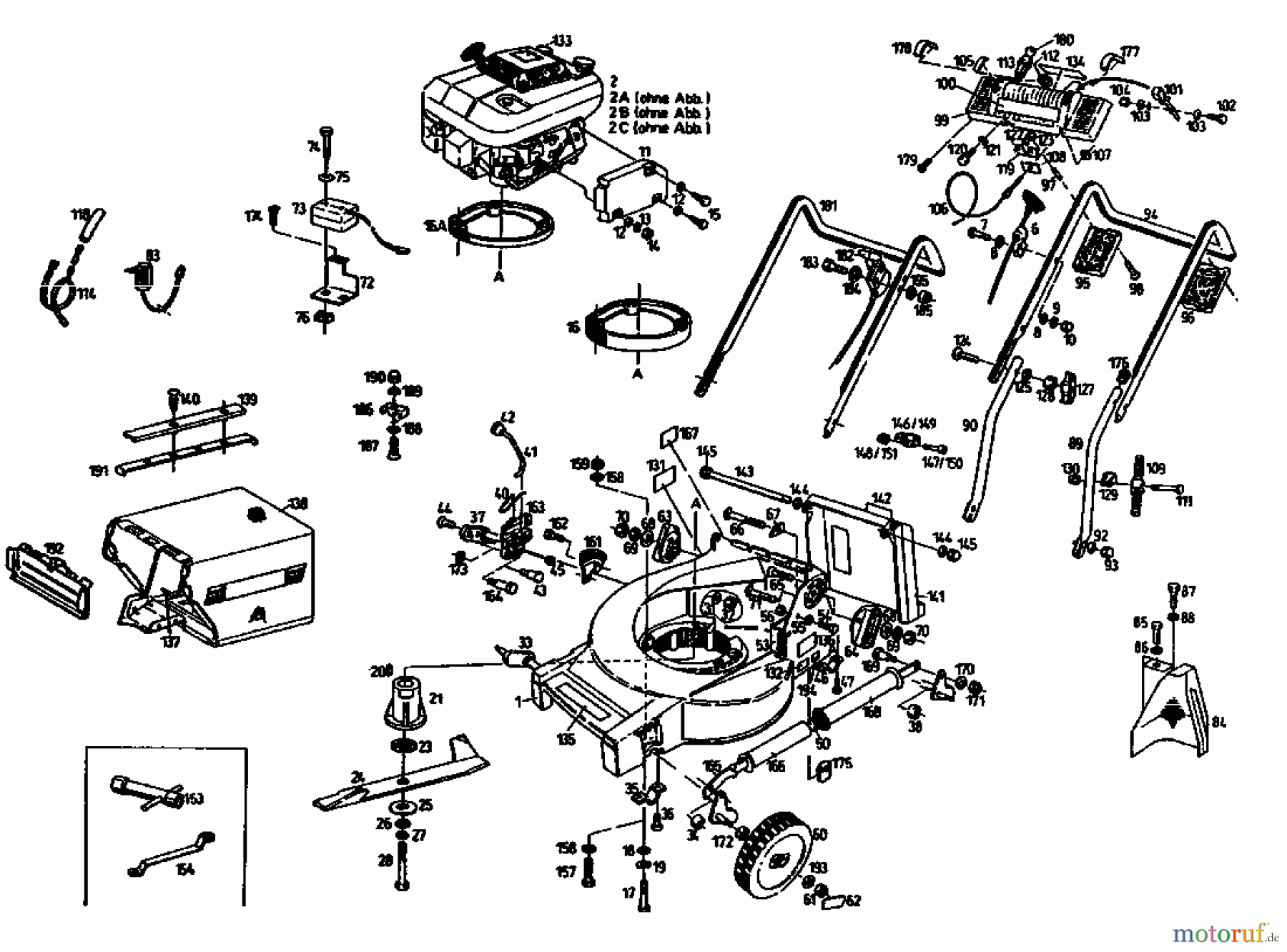
Hier finden Sie die Ersatzteilzeichnung für Gutbrod Motormäher MH 454 04004.05 (1993) Grundgerät. Wählen Sie das benötigte Ersatzteil aus der Ersatzteilliste Ihres Gutbrod Gerätes aus und bestellen Sie einfach online. Viele Gutbrod Ersatzteile halten wir ständig in unserem Lager für Sie bereit.



