MTD Minirider 60 SDE 13AA26JC600 (2017) Motorkeilriemenscheibe, Motorzubehör Ersatzteile
Motorkeilriemenscheibe, Motorzubehör 13AA26JC600 (2017)

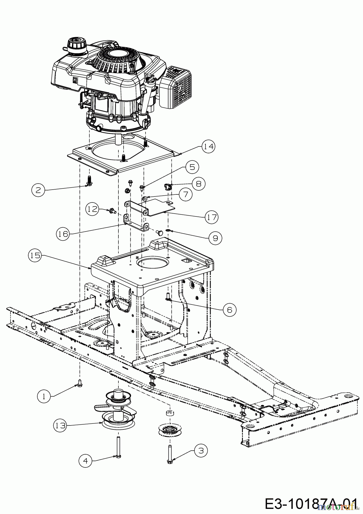
Hier finden Sie die Ersatzteilzeichnung für MTD Rasentraktoren Minirider 60 SDE 13AA26JC600 (2017) Motorkeilriemenscheibe, Motorzubehör. Wählen Sie das benötigte Ersatzteil aus der Ersatzteilliste Ihres MTD Gerätes aus und bestellen Sie einfach online. Viele MTD Ersatzteile halten wir ständig in unserem Lager für Sie bereit.










