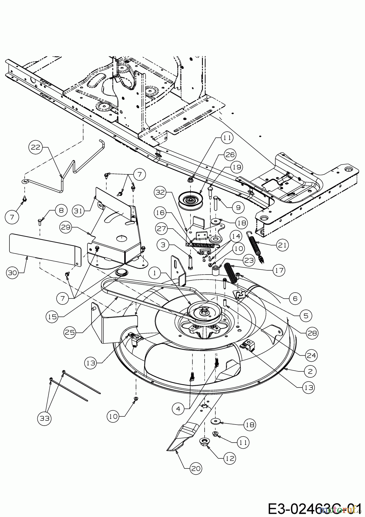
MTD Minirider 60 SDE 13AA26JC600 (2017) Mähwerk C (24"/60cm) Ersatzteile
Mähwerk C (24"/60cm) 13AA26JC600 (2017)

Hier finden Sie die Ersatzteilzeichnung für MTD Rasentraktoren Minirider 60 SDE 13AA26JC600 (2017) Mähwerk C (24"/60cm). Wählen Sie das benötigte Ersatzteil aus der Ersatzteilliste Ihres MTD Gerätes aus und bestellen Sie einfach online. Viele MTD Ersatzteile halten wir ständig in unserem Lager für Sie bereit.
Häufig benötigte MTD Minirider 60 SDE 13AA26JC600 (2017) Mähwerk C (24"/60cm) Ersatzteile


Qualitätsmanagement
Informieren Sie uns, wenn Sie einen Fehler gefunden haben.



















