Gutbrod HB 48 L 02814.01 (1994) Ersatzteile
02814.01 (1994) HB 48 L

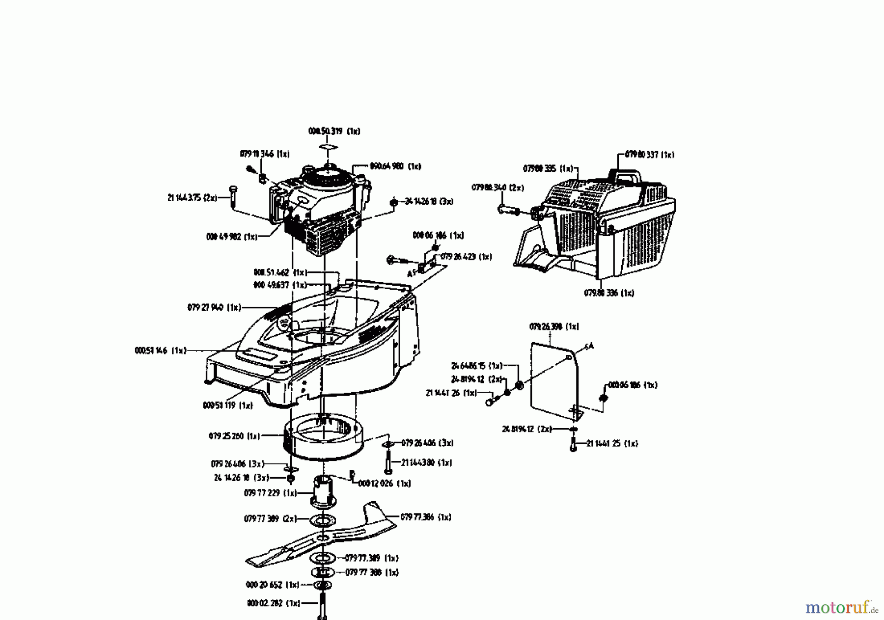
Hier finden Sie die Ersatzteilzeichnung für Gutbrod Motormäher HB 48 L 02814.01 (1994) Grundgerät. Wählen Sie das benötigte Ersatzteil aus der Ersatzteilliste Ihres Gutbrod Gerätes aus und bestellen Sie einfach online. Viele Gutbrod Ersatzteile halten wir ständig in unserem Lager für Sie bereit.




