MTD RS 180/107 13A3762G600 (2006) Abdeckungen bis 09.11.2006 Ersatzteile
Abdeckungen bis 09.11.2006 13A3762G600 (2006)

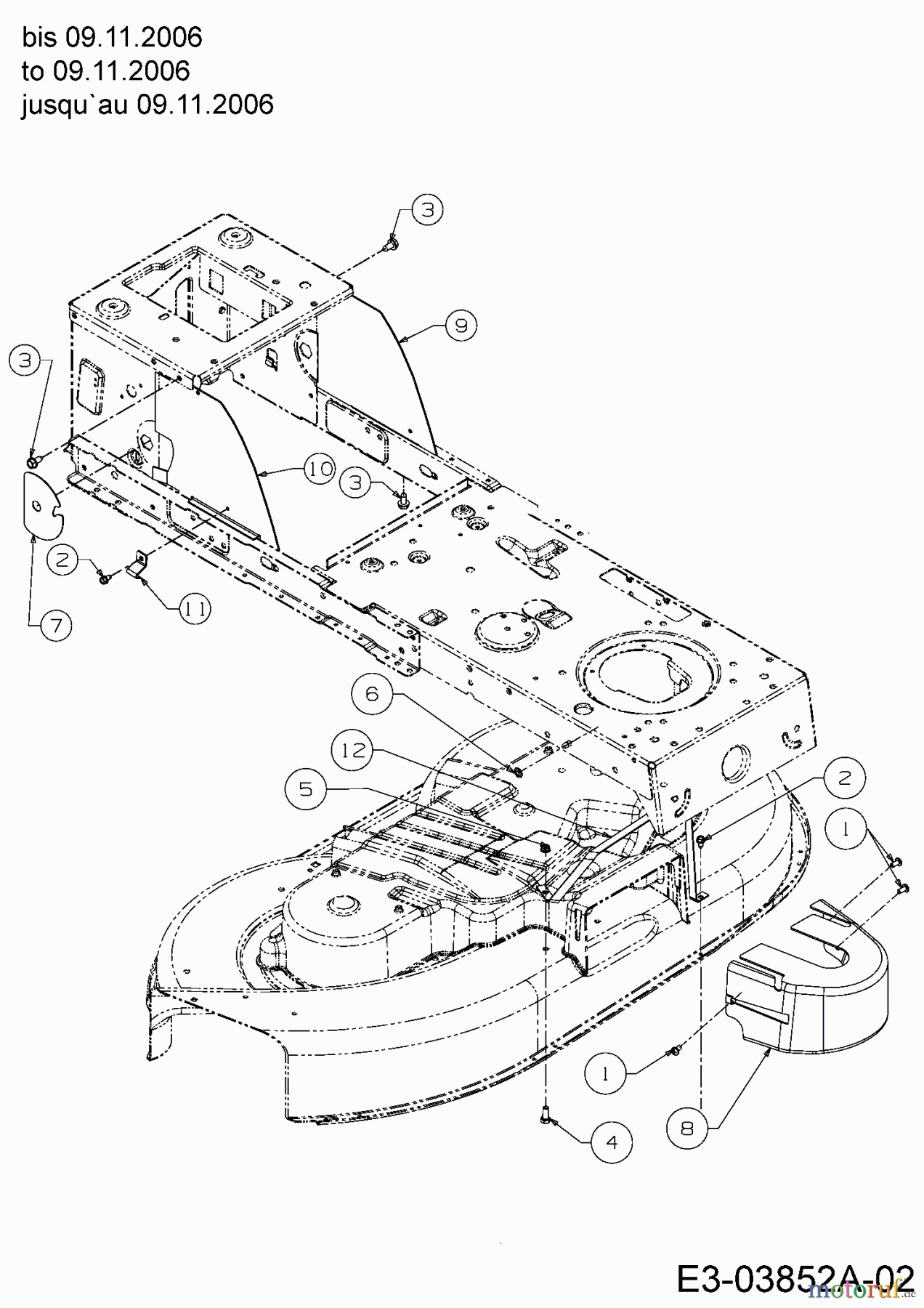
Hier finden Sie die Ersatzteilzeichnung für MTD Rasentraktoren RS 180/107 13A3762G600 (2006) Abdeckungen bis 09.11.2006. Wählen Sie das benötigte Ersatzteil aus der Ersatzteilliste Ihres MTD Gerätes aus und bestellen Sie einfach online. Viele MTD Ersatzteile halten wir ständig in unserem Lager für Sie bereit.


Qualitätsmanagement
Informieren Sie uns, wenn Sie einen Fehler gefunden haben.








