MTD Rasentrac 107 T 13AN763G626 (2009) Motorzubehör bis 17.11.2008 Ersatzteile
Motorzubehör bis 17.11.2008 13AN763G626 (2009)

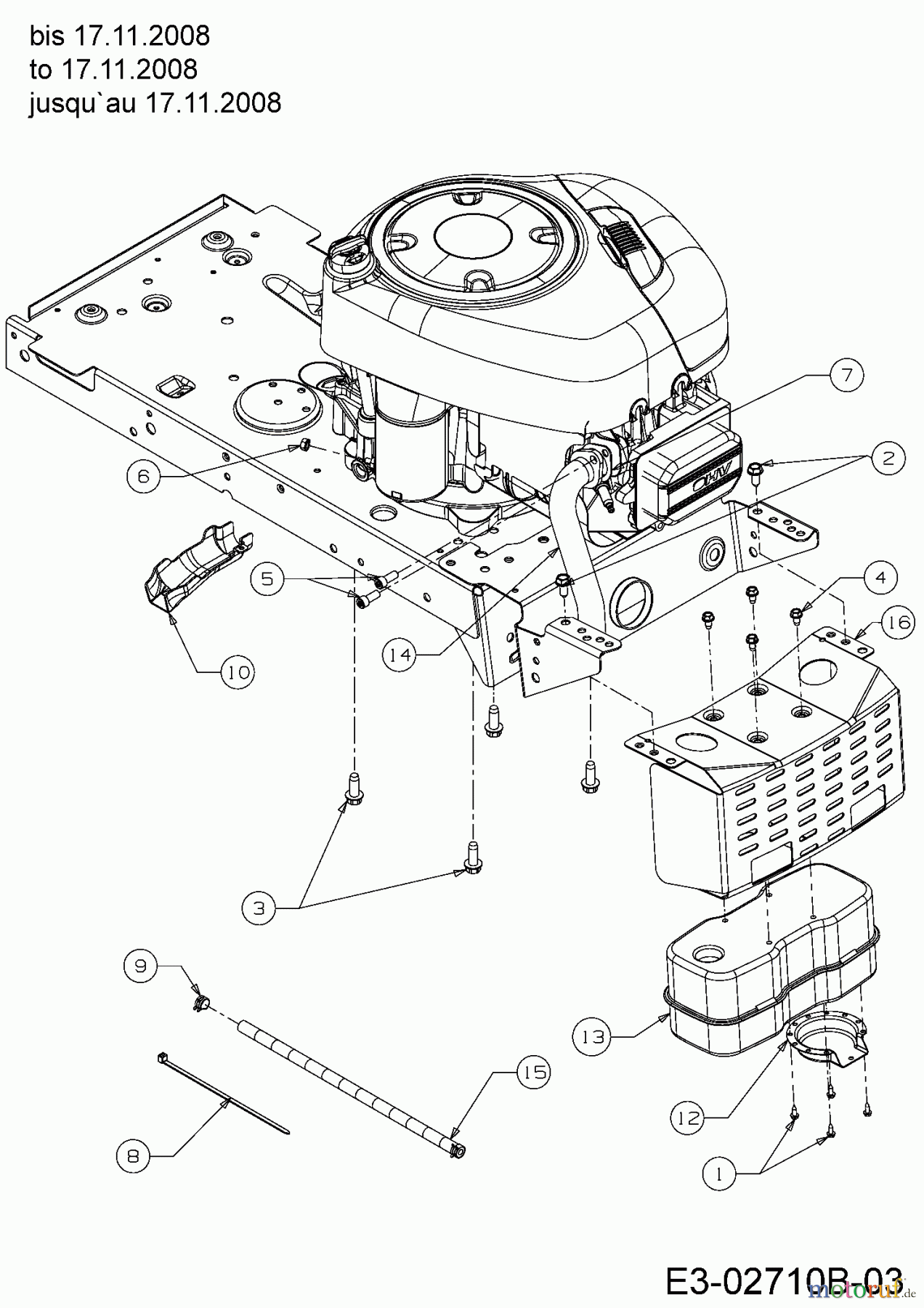
Hier finden Sie die Ersatzteilzeichnung für MTD Rasentraktoren Rasentrac 107 T 13AN763G626 (2009) Motorzubehör bis 17.11.2008. Wählen Sie das benötigte Ersatzteil aus der Ersatzteilliste Ihres MTD Gerätes aus und bestellen Sie einfach online. Viele MTD Ersatzteile halten wir ständig in unserem Lager für Sie bereit.


Qualitätsmanagement
Informieren Sie uns, wenn Sie einen Fehler gefunden haben.










