MTD Platinum SD 25/107 H 13AI793G686 (2009) Motorzubehör ab 01.11.2008 Ersatzteile
Motorzubehör ab 01.11.2008 13AI793G686 (2009)

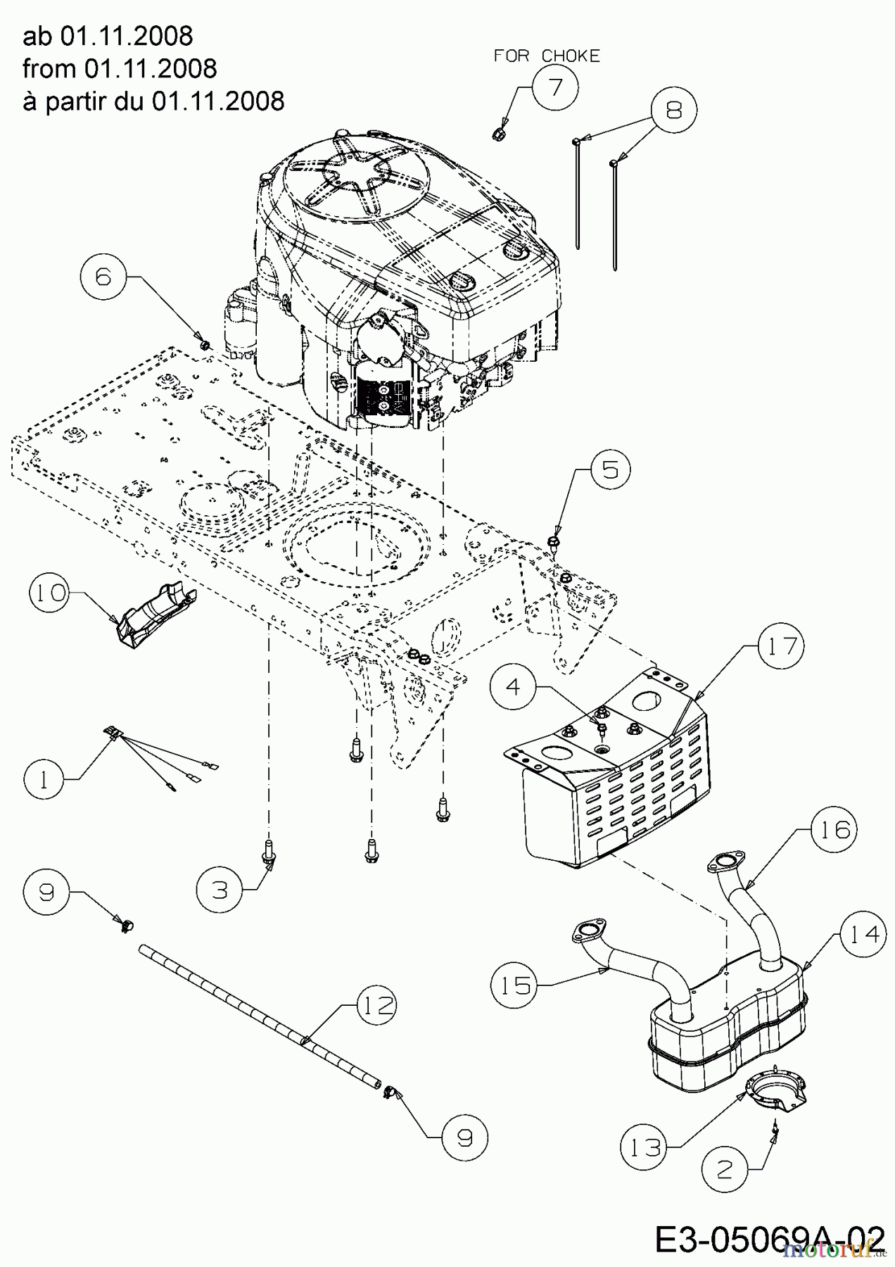
Hier finden Sie die Ersatzteilzeichnung für MTD Rasentraktoren Platinum SD 25/107 H 13AI793G686 (2009) Motorzubehör ab 01.11.2008. Wählen Sie das benötigte Ersatzteil aus der Ersatzteilliste Ihres MTD Gerätes aus und bestellen Sie einfach online. Viele MTD Ersatzteile halten wir ständig in unserem Lager für Sie bereit.


Qualitätsmanagement
Informieren Sie uns, wenn Sie einen Fehler gefunden haben.








