Gutbrod HB 46 CH 02866.08 (1988) Ersatzteile
02866.08 (1988) HB 46 CH

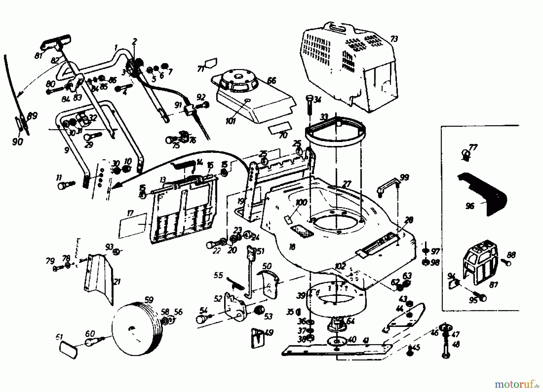
Hier finden Sie die Ersatzteilzeichnung für Gutbrod Motormäher HB 46 CH 02866.08 (1988) Grundgerät. Wählen Sie das benötigte Ersatzteil aus der Ersatzteilliste Ihres Gutbrod Gerätes aus und bestellen Sie einfach online. Viele Gutbrod Ersatzteile halten wir ständig in unserem Lager für Sie bereit.




