Gutbrod HB 45 02867.02 (1985) Ersatzteile
02867.02 (1985) HB 45

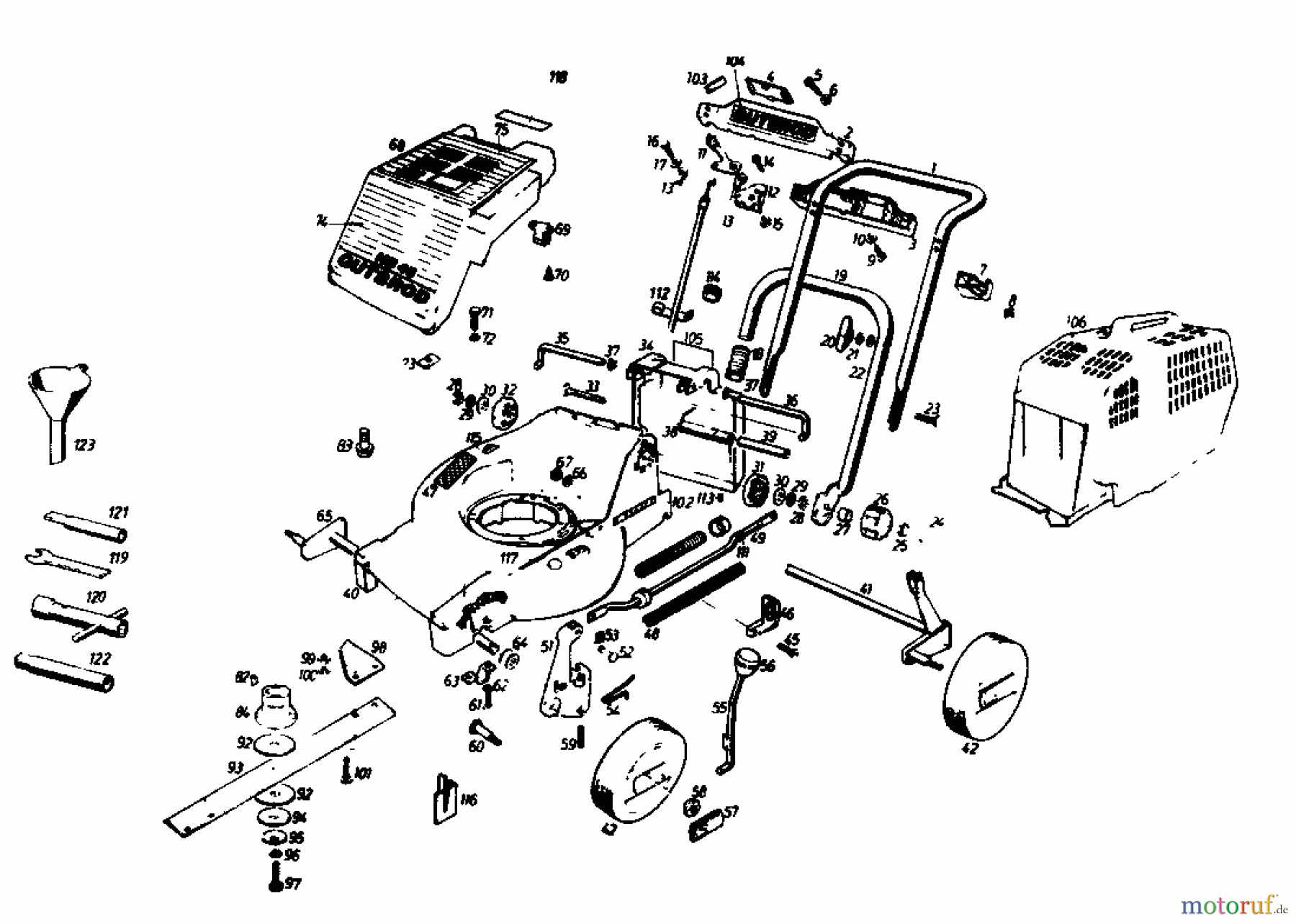
Hier finden Sie die Ersatzteilzeichnung für Gutbrod Motormäher HB 45 02867.02 (1985) Grundgerät. Wählen Sie das benötigte Ersatzteil aus der Ersatzteilliste Ihres Gutbrod Gerätes aus und bestellen Sie einfach online. Viele Gutbrod Ersatzteile halten wir ständig in unserem Lager für Sie bereit.




