Gutbrod HB 42 LE 04028.03 (1995) Ersatzteile
04028.03 (1995) HB 42 LE

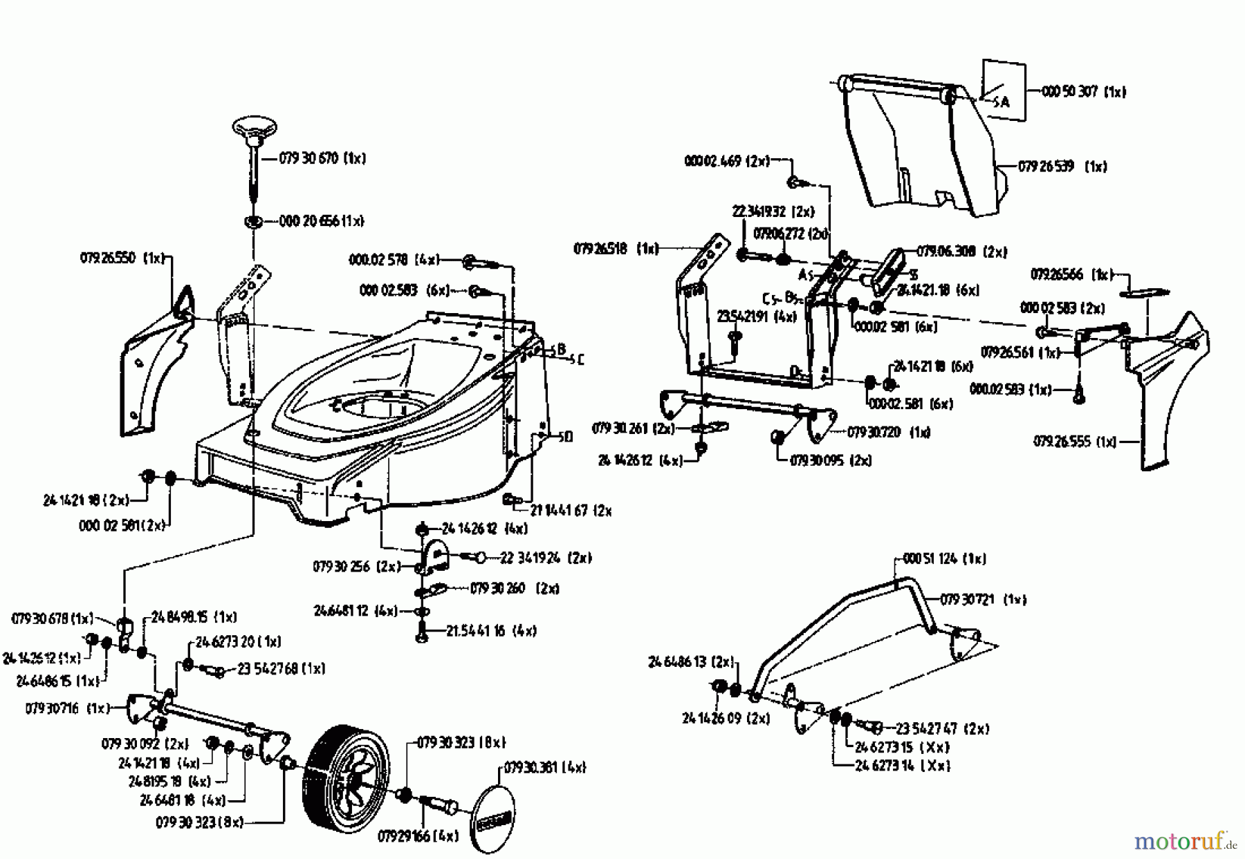
Hier finden Sie die Ersatzteilzeichnung für Gutbrod Motormäher HB 42 LE 04028.03 (1995) Grundgerät. Wählen Sie das benötigte Ersatzteil aus der Ersatzteilliste Ihres Gutbrod Gerätes aus und bestellen Sie einfach online. Viele Gutbrod Ersatzteile halten wir ständig in unserem Lager für Sie bereit.


Qualitätsmanagement
Informieren Sie uns, wenn Sie einen Fehler gefunden haben.

