Gutbrod HB 42 L 11A-L56Z604 (1998) Grasfangkorb, Messer, Motor Ersatzteile
Grasfangkorb, Messer, Motor 11A-L56Z604 (1998)

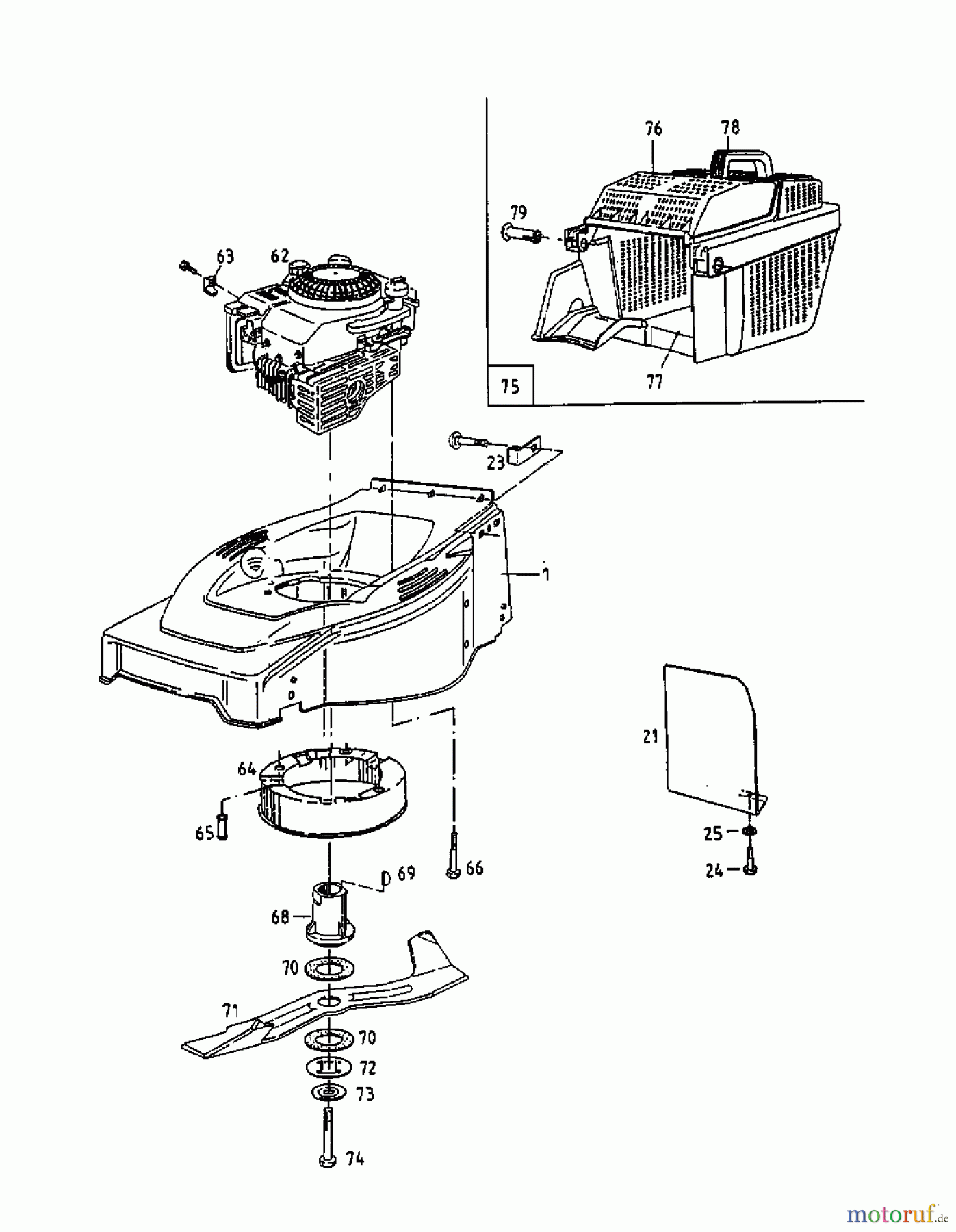
Hier finden Sie die Ersatzteilzeichnung für Gutbrod Motormäher HB 42 L 11A-L56Z604 (1998) Grasfangkorb, Messer, Motor. Wählen Sie das benötigte Ersatzteil aus der Ersatzteilliste Ihres Gutbrod Gerätes aus und bestellen Sie einfach online. Viele Gutbrod Ersatzteile halten wir ständig in unserem Lager für Sie bereit.


Qualitätsmanagement
Informieren Sie uns, wenn Sie einen Fehler gefunden haben.



