Gutbrod HB 42 11C-L10Z604 (2000) Ersatzteile
11C-L10Z604 (2000) HB 42

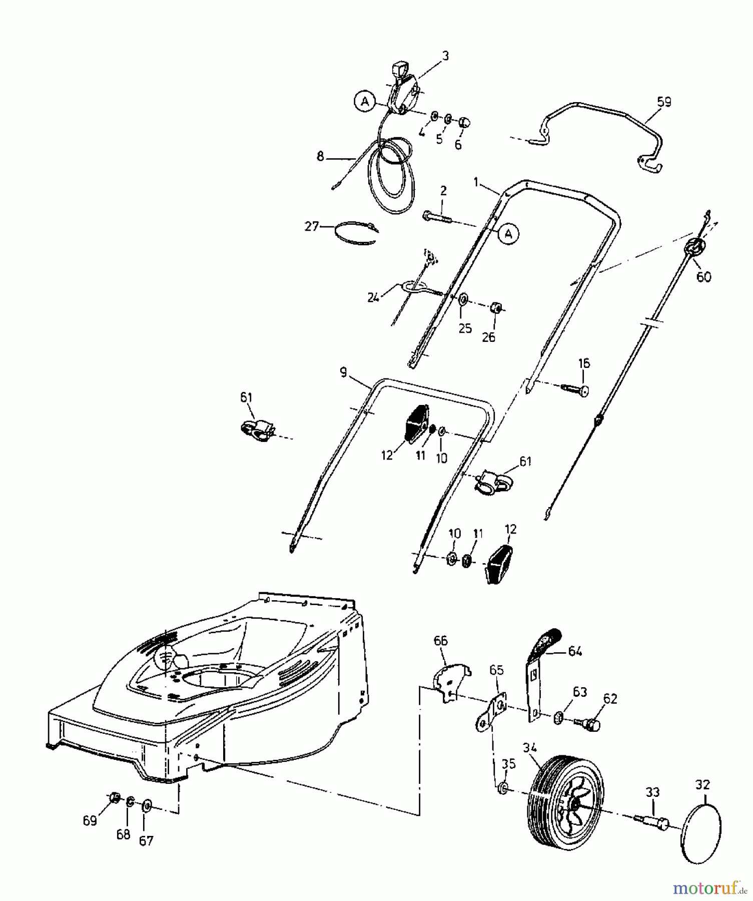
Hier finden Sie die Ersatzteilzeichnung für Gutbrod Motormäher HB 42 11C-L10Z604 (2000) Grundgerät. Wählen Sie das benötigte Ersatzteil aus der Ersatzteilliste Ihres Gutbrod Gerätes aus und bestellen Sie einfach online. Viele Gutbrod Ersatzteile halten wir ständig in unserem Lager für Sie bereit.


Qualitätsmanagement
Informieren Sie uns, wenn Sie einen Fehler gefunden haben.









