MTD Optima 34 VE 16AFEMNA664 (2016) Ersatzteile
16AFEMNA664 (2016) Optima 34 VE

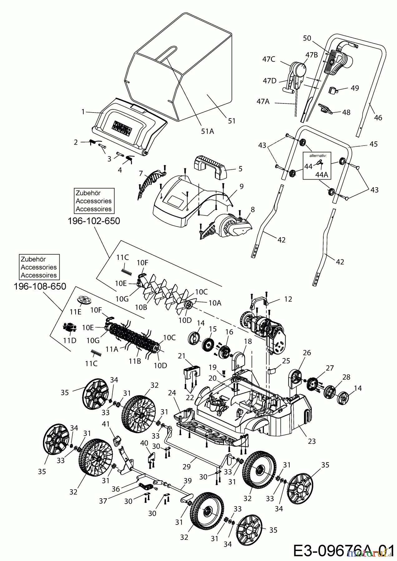
Hier finden Sie die Ersatzteilzeichnung für MTD Elektrovertikutierer Optima 34 VE 16AFEMNA664 (2016) Grundgerät. Wählen Sie das benötigte Ersatzteil aus der Ersatzteilliste Ihres MTD Gerätes aus und bestellen Sie einfach online. Viele MTD Ersatzteile halten wir ständig in unserem Lager für Sie bereit.


Qualitätsmanagement
Informieren Sie uns, wenn Sie einen Fehler gefunden haben.









