Gutbrod ECO B 50 04056.01 (1996) Ersatzteile
04056.01 (1996) ECO B 50

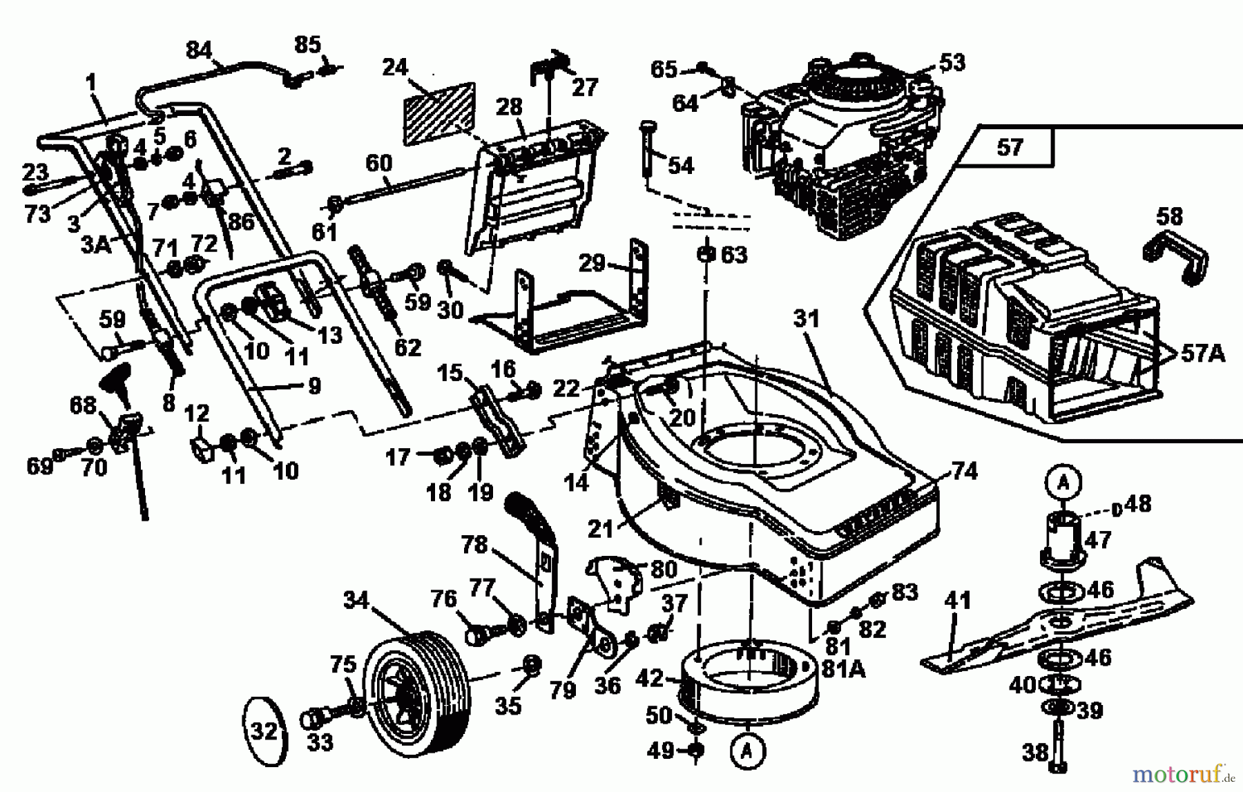
Hier finden Sie die Ersatzteilzeichnung für Gutbrod Motormäher ECO B 50 04056.01 (1996) Grundgerät. Wählen Sie das benötigte Ersatzteil aus der Ersatzteilliste Ihres Gutbrod Gerätes aus und bestellen Sie einfach online. Viele Gutbrod Ersatzteile halten wir ständig in unserem Lager für Sie bereit.






