Einstellungen Computer

Gutbrod 51 S 04045.02 (1996) Ersatzteile

04045.02 (1996) 51 S

 Gutbrod Motormäher 51 S 04045.02  (1996) Grundgerät

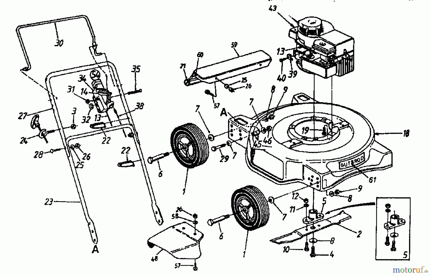
Hier finden Sie die Ersatzteilzeichnung für Gutbrod Motormäher 51 S 04045.02 (1996) Grundgerät. Wählen Sie das benötigte Ersatzteil aus der Ersatzteilliste Ihres Gutbrod Gerätes aus und bestellen Sie einfach online. Viele Gutbrod Ersatzteile halten wir ständig in unserem Lager für Sie bereit.

Rasen
Bankeinzug, MasterCard, Visa, American Express, PayPal, Nachnahme, Vorauskasse, Sofortüberweisung
Datenschutzerklärung Impressum
Qualitätsmanagement
Informieren Sie uns, wenn Sie einen Fehler gefunden haben.