Gutbrod 135 BL 4 T 02869.04 (1985) Ersatzteile
02869.04 (1985) 135 BL 4 T

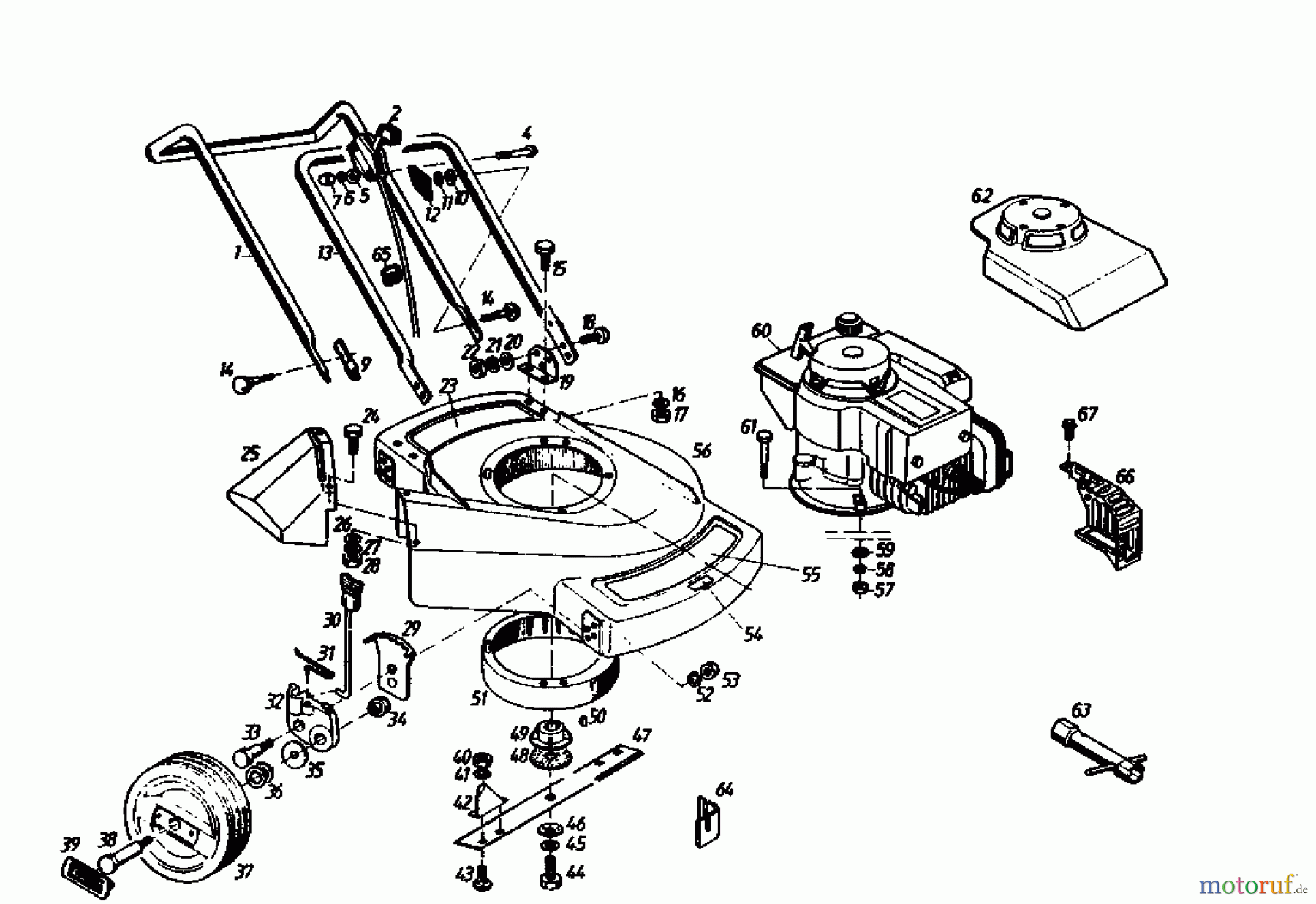
Hier finden Sie die Ersatzteilzeichnung für Gutbrod Motormäher 135 BL 4 T 02869.04 (1985) Grundgerät. Wählen Sie das benötigte Ersatzteil aus der Ersatzteilliste Ihres Gutbrod Gerätes aus und bestellen Sie einfach online. Viele Gutbrod Ersatzteile halten wir ständig in unserem Lager für Sie bereit.




