Gutbrod 135 BL 4 T 02869.04 (1987) Ersatzteile
02869.04 (1987) 135 BL 4 T

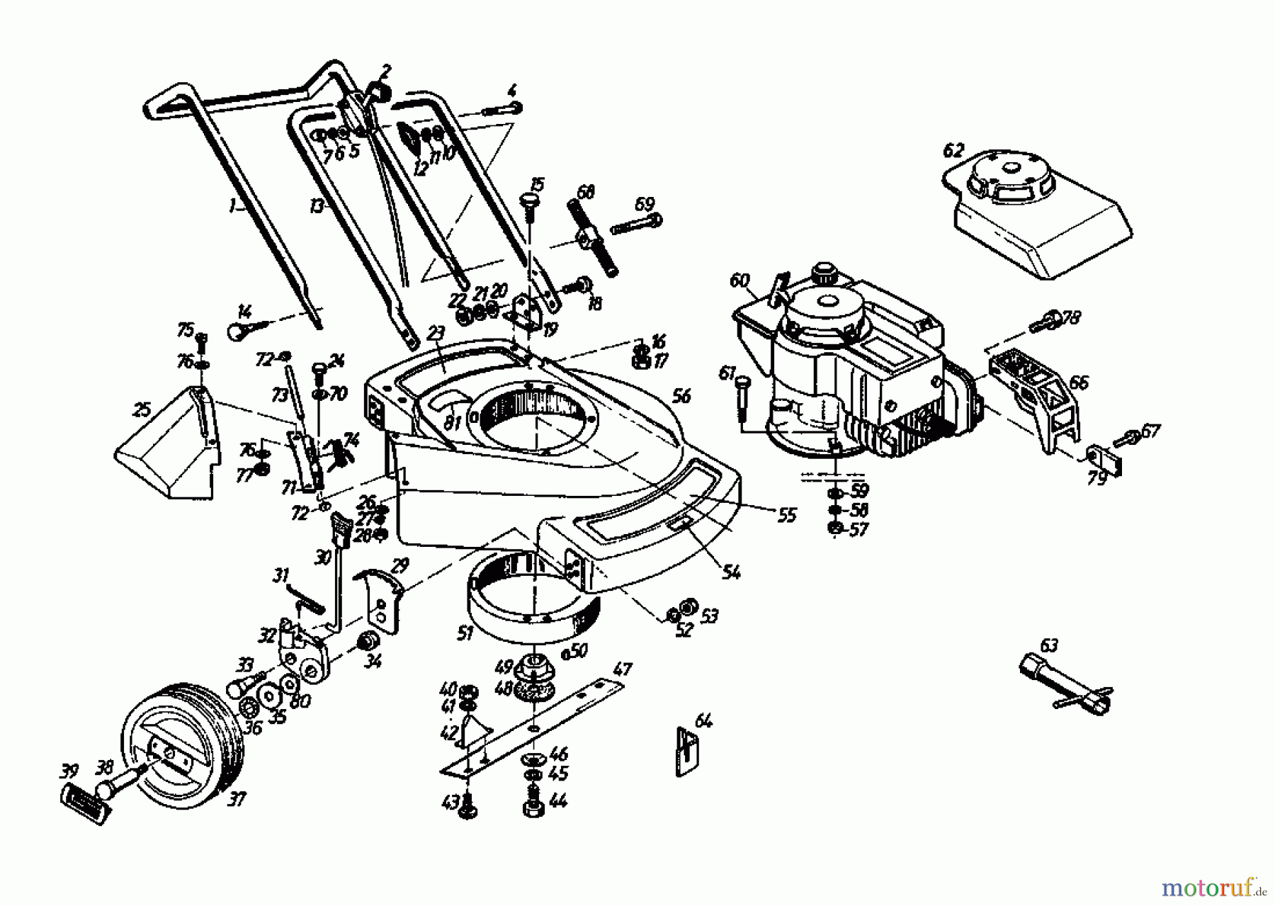
Hier finden Sie die Ersatzteilzeichnung für Gutbrod Motormäher 135 BL 4 T 02869.04 (1987) Grundgerät. Wählen Sie das benötigte Ersatzteil aus der Ersatzteilliste Ihres Gutbrod Gerätes aus und bestellen Sie einfach online. Viele Gutbrod Ersatzteile halten wir ständig in unserem Lager für Sie bereit.


Qualitätsmanagement
Informieren Sie uns, wenn Sie einen Fehler gefunden haben.


