Gutbrod 135 BL 2 T 02869.06 (1988) Ersatzteile
02869.06 (1988) 135 BL 2 T

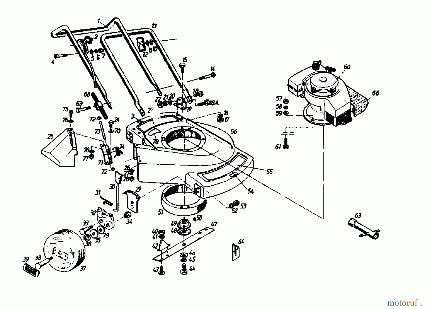
Hier finden Sie die Ersatzteilzeichnung für Gutbrod Motormäher 135 BL 2 T 02869.06 (1988) Grundgerät. Wählen Sie das benötigte Ersatzteil aus der Ersatzteilliste Ihres Gutbrod Gerätes aus und bestellen Sie einfach online. Viele Gutbrod Ersatzteile halten wir ständig in unserem Lager für Sie bereit.



