Gutbrod MH 454 BE 04023.01 (1995) Ersatzteile
04023.01 (1995) MH 454 BE

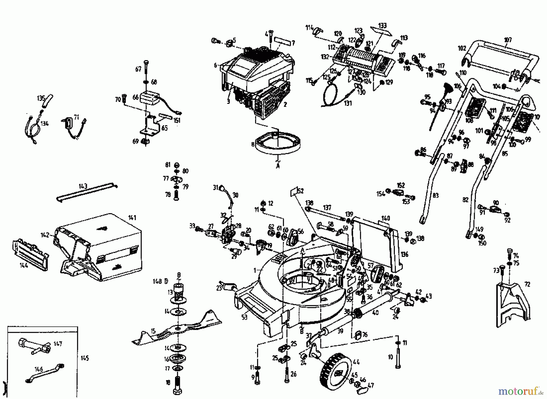
Hier finden Sie die Ersatzteilzeichnung für Gutbrod Motormäher MH 454 BE 04023.01 (1995) Grundgerät. Wählen Sie das benötigte Ersatzteil aus der Ersatzteilliste Ihres Gutbrod Gerätes aus und bestellen Sie einfach online. Viele Gutbrod Ersatzteile halten wir ständig in unserem Lager für Sie bereit.


Qualitätsmanagement
Informieren Sie uns, wenn Sie einen Fehler gefunden haben.

