Gutbrod TURBO 45 SB-B 02894.02 (1986) Ersatzteile
02894.02 (1986) TURBO 45 SB-B

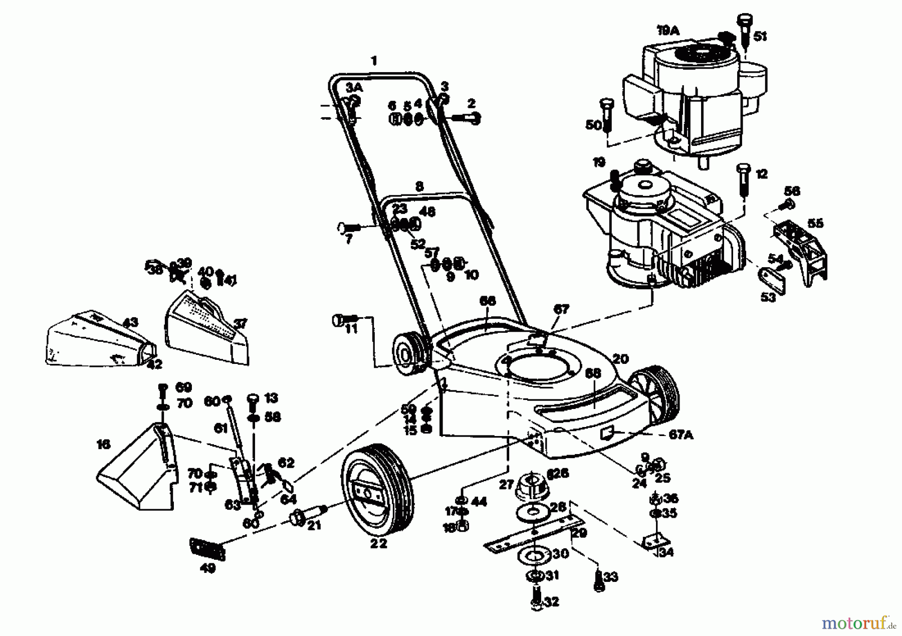
Hier finden Sie die Ersatzteilzeichnung für Gutbrod Motormäher TURBO 45 SB-B 02894.02 (1986) Grundgerät. Wählen Sie das benötigte Ersatzteil aus der Ersatzteilliste Ihres Gutbrod Gerätes aus und bestellen Sie einfach online. Viele Gutbrod Ersatzteile halten wir ständig in unserem Lager für Sie bereit.


Qualitätsmanagement
Informieren Sie uns, wenn Sie einen Fehler gefunden haben.

