Einstellungen Computer

MTD Zubehör Frontkehrmaschine 596-219-600 (2012) Kuppeldreieck, Steuerhebel Ersatzteile

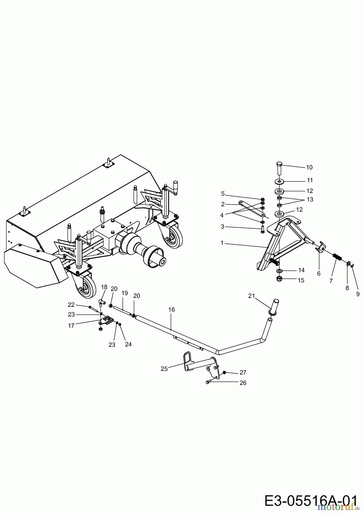
Kuppeldreieck, Steuerhebel 596-219-600 (2012)

 MTD Zubehör Zubehör Kompakttraktoren Frontkehrmaschine für CC 2000/3000 RD Serie, mechanisch 596-219-600  (2012) Kuppeldreieck, Steuerhebel

Hier finden Sie die Ersatzteilzeichnung für MTD Zubehör Zubehör Kompakttraktoren Frontkehrmaschine für CC 2000/3000 RD Serie, mechanisch 596-219-600 (2012) Kuppeldreieck, Steuerhebel. Wählen Sie das benötigte Ersatzteil aus der Ersatzteilliste Ihres MTD Zubehör Gerätes aus und bestellen Sie einfach online. Viele MTD Zubehör Ersatzteile halten wir ständig in unserem Lager für Sie bereit.

Rasen
Bankeinzug, MasterCard, Visa, American Express, PayPal, Nachnahme, Vorauskasse, Sofortüberweisung
Datenschutzerklärung Impressum
Qualitätsmanagement
Informieren Sie uns, wenn Sie einen Fehler gefunden haben.