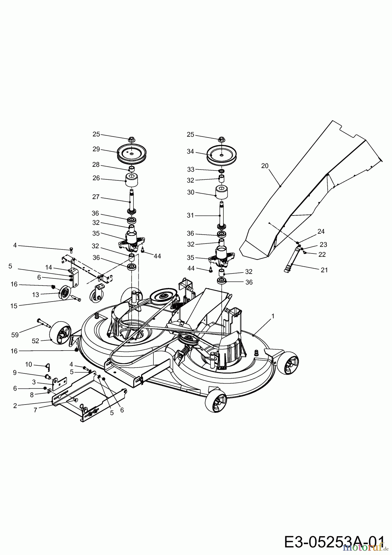
MTD Zubehör Mähwerke für CC 2000 RD Serie (Mähwerk 41"/105cm) 596-200-600 (2010) Auswurfschacht, Messerwellen, Gehäuse, Räder Ersatzteile
Auswurfschacht, Messerwellen, Gehäuse, Räder 596-200-600 (2010)

Hier finden Sie die Ersatzteilzeichnung für MTD Zubehör Zubehör Kompakttraktoren Mähwerke für CC 2000 RD Serie (Mähwerk 41"/105cm) 596-200-600 (2010) Auswurfschacht, Messerwellen, Gehäuse, Räder. Wählen Sie das benötigte Ersatzteil aus der Ersatzteilliste Ihres MTD Zubehör Gerätes aus und bestellen Sie einfach online. Viele MTD Zubehör Ersatzteile halten wir ständig in unserem Lager für Sie bereit.


Qualitätsmanagement
Informieren Sie uns, wenn Sie einen Fehler gefunden haben.









































