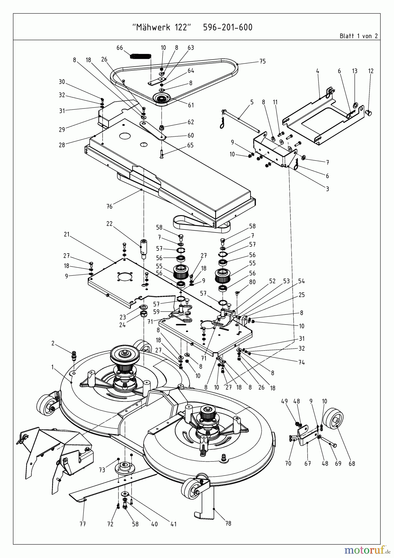
MTD Zubehör Mähwerke für CC 2000 RD Serie (Mähwerk 48"/122cm) 596-201-600 (2013) Mähwerksgehäuse, Messer, Messeraufnahme Ersatzteile
Mähwerksgehäuse, Messer, Messeraufnahme 596-201-600 (2013)

Hier finden Sie die Ersatzteilzeichnung für MTD Zubehör Zubehör Kompakttraktoren Mähwerke für CC 2000 RD Serie (Mähwerk 48"/122cm) 596-201-600 (2013) Mähwerksgehäuse, Messer, Messeraufnahme. Wählen Sie das benötigte Ersatzteil aus der Ersatzteilliste Ihres MTD Zubehör Gerätes aus und bestellen Sie einfach online. Viele MTD Zubehör Ersatzteile halten wir ständig in unserem Lager für Sie bereit.








