Massey Ferguson MF 42-18 SH 13BV795G695 (2009) Motorzubehör bis 24.06.2009 Ersatzteile
Motorzubehör bis 24.06.2009 13BV795G695 (2009)

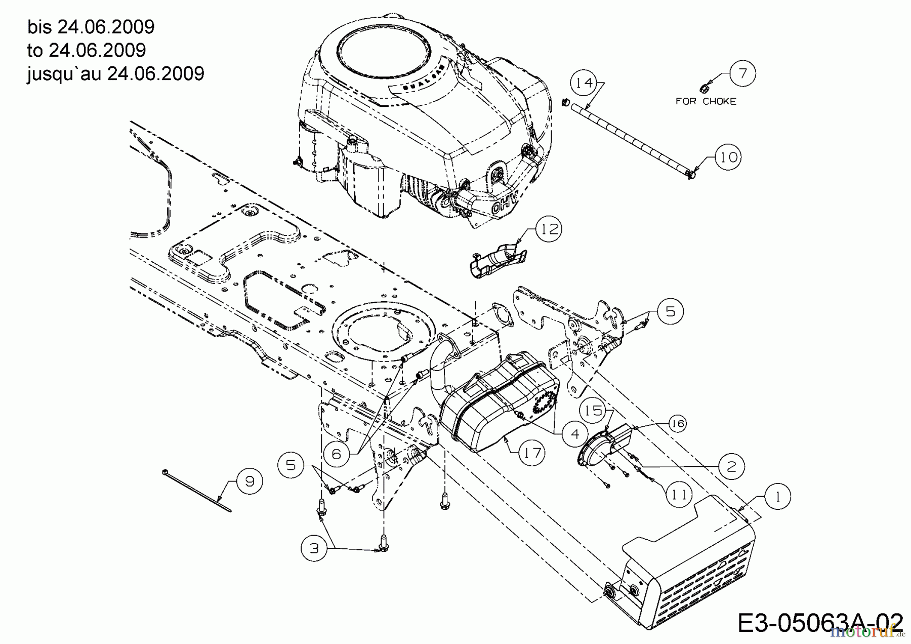
Hier finden Sie die Ersatzteilzeichnung für Massey Ferguson Rasentraktoren MF 42-18 SH 13BV795G695 (2009) Motorzubehör bis 24.06.2009. Wählen Sie das benötigte Ersatzteil aus der Ersatzteilliste Ihres Massey Ferguson Gerätes aus und bestellen Sie einfach online. Viele Massey Ferguson Ersatzteile halten wir ständig in unserem Lager für Sie bereit.


Qualitätsmanagement
Informieren Sie uns, wenn Sie einen Fehler gefunden haben.










