Gutbrod MB 60-30 07514.01 (1993) Fahrantrieb Ersatzteile
Fahrantrieb 07514.01 (1993)

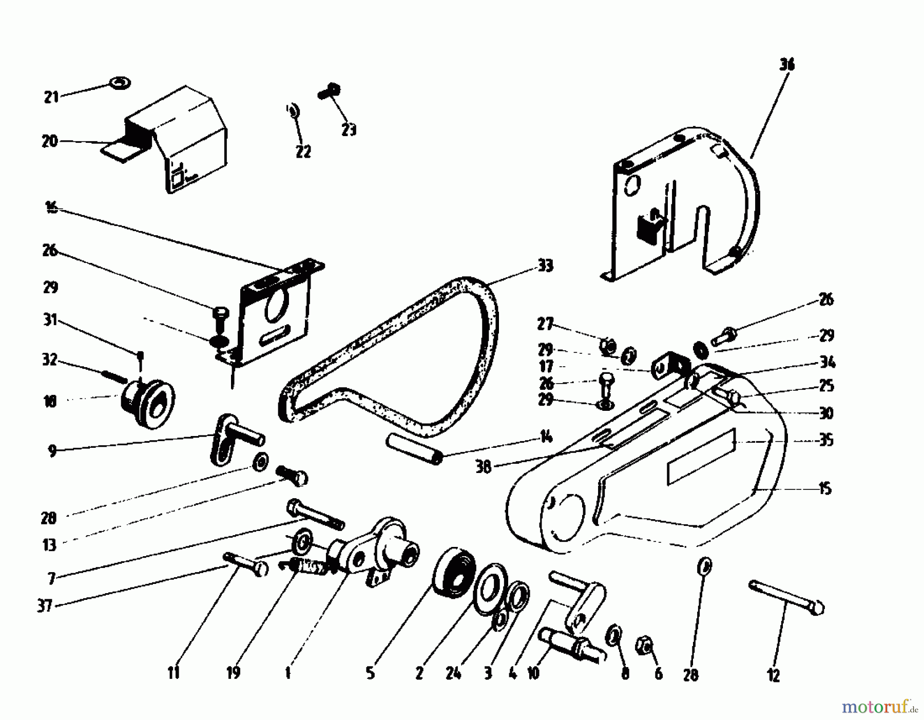
Hier finden Sie die Ersatzteilzeichnung für Gutbrod Motorhacken MB 60-30 07514.01 (1993) Fahrantrieb. Wählen Sie das benötigte Ersatzteil aus der Ersatzteilliste Ihres Gutbrod Gerätes aus und bestellen Sie einfach online. Viele Gutbrod Ersatzteile halten wir ständig in unserem Lager für Sie bereit.


Qualitätsmanagement
Informieren Sie uns, wenn Sie einen Fehler gefunden haben.


