Gutbrod MB 50-35 04034.01 (1995) Ersatzteile
04034.01 (1995) MB 50-35

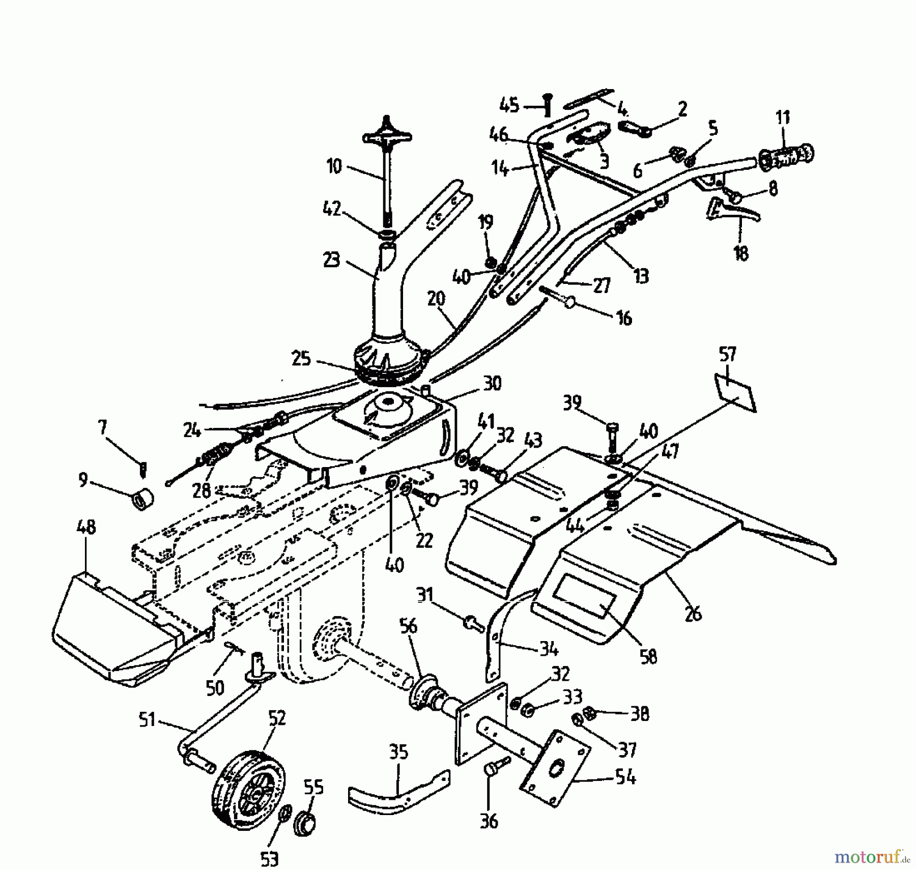
Hier finden Sie die Ersatzteilzeichnung für Gutbrod Motorhacken MB 50-35 04034.01 (1995) Grundgerät. Wählen Sie das benötigte Ersatzteil aus der Ersatzteilliste Ihres Gutbrod Gerätes aus und bestellen Sie einfach online. Viele Gutbrod Ersatzteile halten wir ständig in unserem Lager für Sie bereit.


Qualitätsmanagement
Informieren Sie uns, wenn Sie einen Fehler gefunden haben.

