Gutbrod GAE 35 04003.03 (1992) Ersatzteile
04003.03 (1992) GAE 35

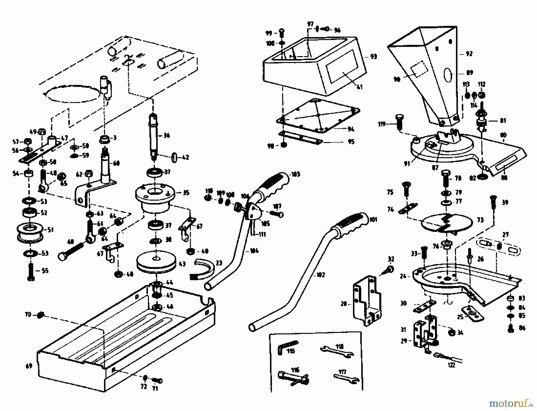
Hier finden Sie die Ersatzteilzeichnung für Gutbrod Häcksler GAE 35 04003.03 (1992) Grundgerät. Wählen Sie das benötigte Ersatzteil aus der Ersatzteilliste Ihres Gutbrod Gerätes aus und bestellen Sie einfach online. Viele Gutbrod Ersatzteile halten wir ständig in unserem Lager für Sie bereit.


Qualitätsmanagement
Informieren Sie uns, wenn Sie einen Fehler gefunden haben.

