Gutbrod GAE 13 04002.03 (1991) Ersatzteile
04002.03 (1991) GAE 13

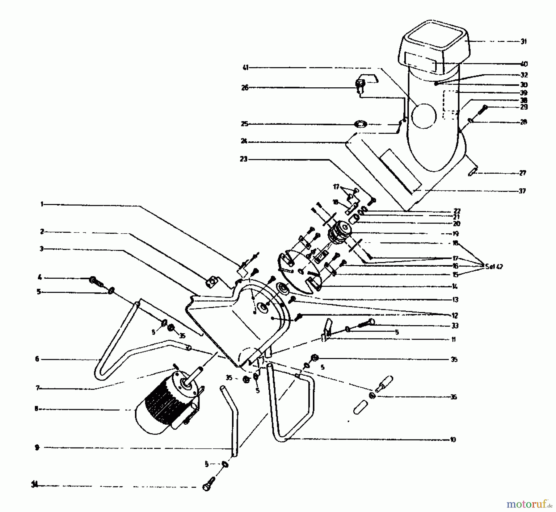
Hier finden Sie die Ersatzteilzeichnung für Gutbrod Häcksler GAE 13 04002.03 (1991) Grundgerät. Wählen Sie das benötigte Ersatzteil aus der Ersatzteilliste Ihres Gutbrod Gerätes aus und bestellen Sie einfach online. Viele Gutbrod Ersatzteile halten wir ständig in unserem Lager für Sie bereit.



