Gutbrod DLX 107 SALK 13AI606G690 (2004) Hinterachse Ersatzteile
Hinterachse 13AI606G690 (2004)

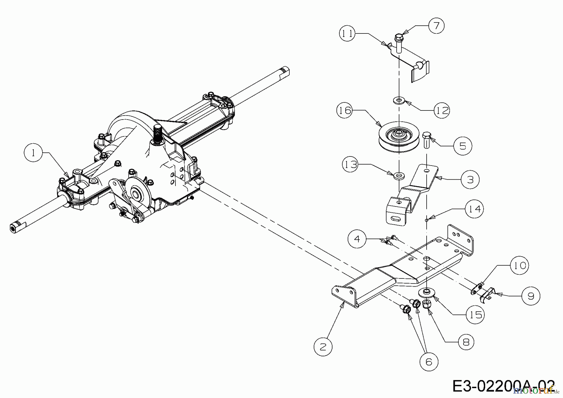
Hier finden Sie die Ersatzteilzeichnung für Gutbrod Rasentraktoren DLX 107 SALK 13AI606G690 (2004) Hinterachse. Wählen Sie das benötigte Ersatzteil aus der Ersatzteilliste Ihres Gutbrod Gerätes aus und bestellen Sie einfach online. Viele Gutbrod Ersatzteile halten wir ständig in unserem Lager für Sie bereit.


Qualitätsmanagement
Informieren Sie uns, wenn Sie einen Fehler gefunden haben.









