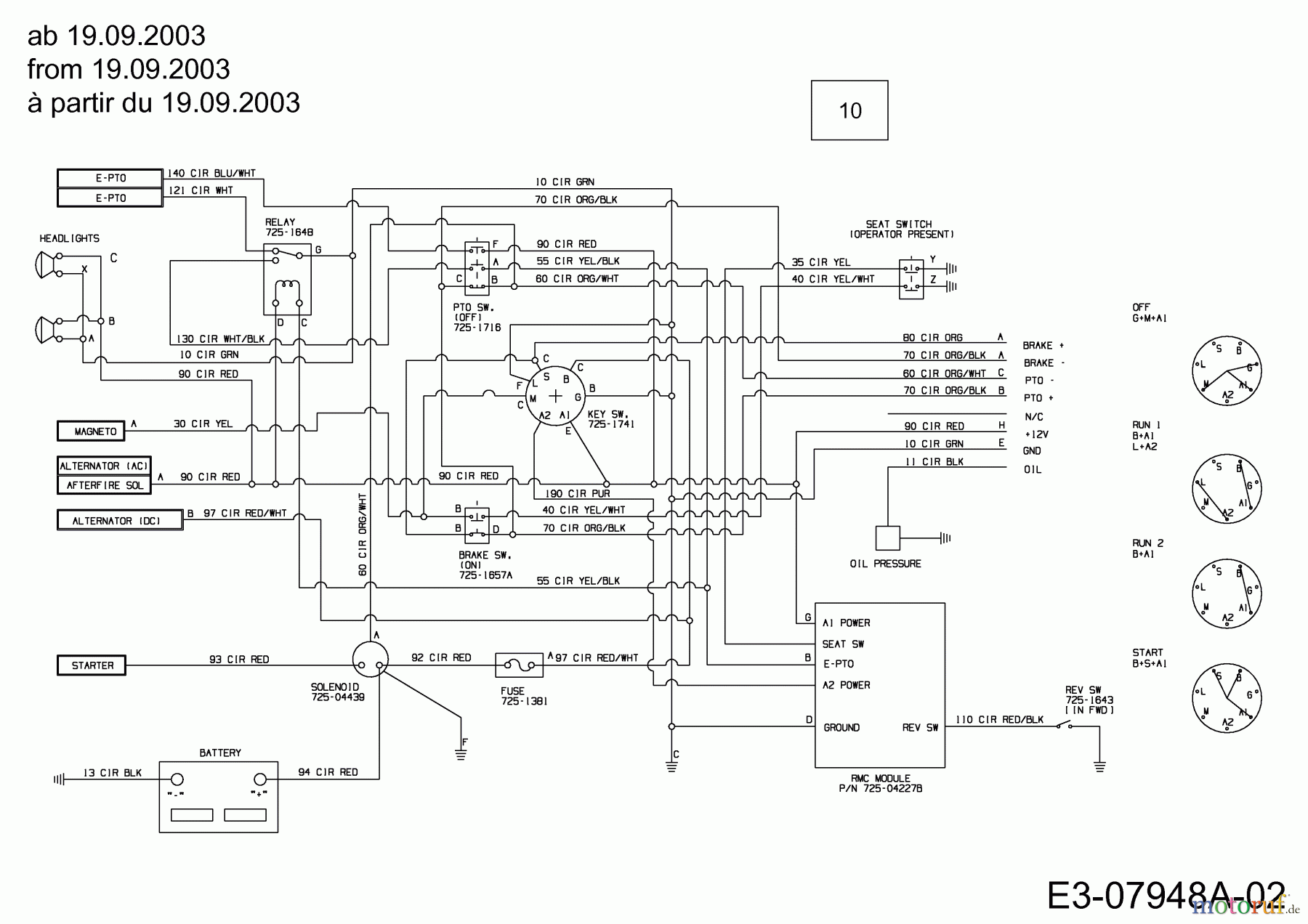
Gutbrod XLX 117 SAL 14AU806H690 (2004) Schaltplan ab 19.09.2003 Ersatzteile
Schaltplan ab 19.09.2003 14AU806H690 (2004)

Hier finden Sie die Ersatzteilzeichnung für Gutbrod Gartentraktoren XLX 117 SAL 14AU806H690 (2004) Schaltplan ab 19.09.2003. Wählen Sie das benötigte Ersatzteil aus der Ersatzteilliste Ihres Gutbrod Gerätes aus und bestellen Sie einfach online. Viele Gutbrod Ersatzteile halten wir ständig in unserem Lager für Sie bereit.
| BildNr | Artikel Nummer | Bezeichnung | |
| 10 | 725-04862 | KABELBAUM:RT:EL STUNDENZÄHLER | |



